EasyManua.ls Logo

HAIMA 7 - Page 621

HAIMA 7
654 pages
Print Icon
To Next Page IconTo Next Page
To Next Page IconTo Next Page
To Previous Page IconTo Previous Page
To Previous Page IconTo Previous Page
Loading...
82
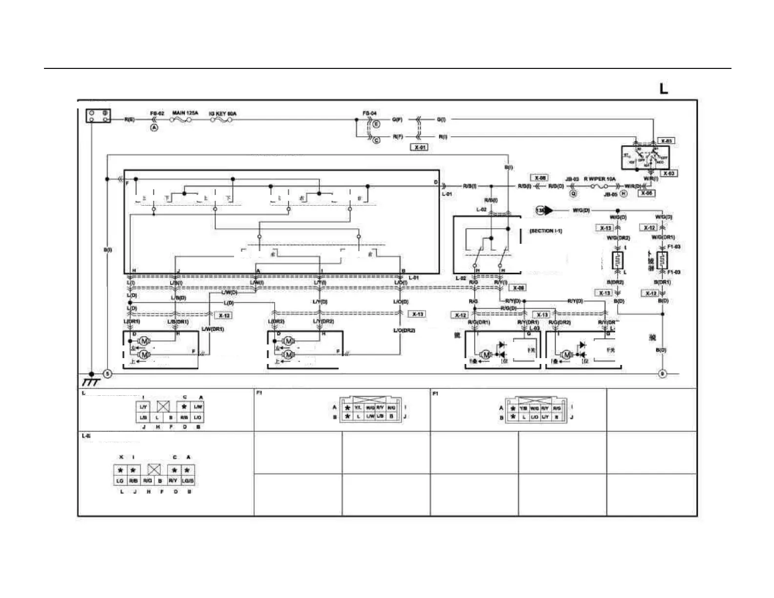
Outside rear-view mirror heater / Outside electric rear-view mirror
Left outside rear-view
mirror (DR1)
Left outside
rear-view mirror
Battery
Right outside
rear-view mirror
Left outside
rear-view
mirror
Right
outside
rear-view
mirror
Outside electric rear-view mirror switch
Rear defroster relay
Electric outside
rear-view mirror
fold switch
Right outside
rear-view
mirror heater
Left
outside
rear-
view
mirror
heater
Limit
switch
Limit
switch
Foldabl
e
Foldable
Reset
Rese
t
Right outside rear-
view
mirror (DR2)
Upper
Upper
Upper
Upper
Lower
Lower
Lower
Lower
Left
Left
Left
Left
Left
Left
Rear
Rear
Rear
Rear
Rear
Rear
Rear-view mirror fold switch (I)
Outside electric rear
-
view mirror switch (I)

Table of Contents

Related product manuals