EasyManua.ls Logo

HAIMA 7 - Page 627

HAIMA 7
654 pages
Print Icon
To Next Page IconTo Next Page
To Next Page IconTo Next Page
To Previous Page IconTo Previous Page
To Previous Page IconTo Previous Page
Loading...
88
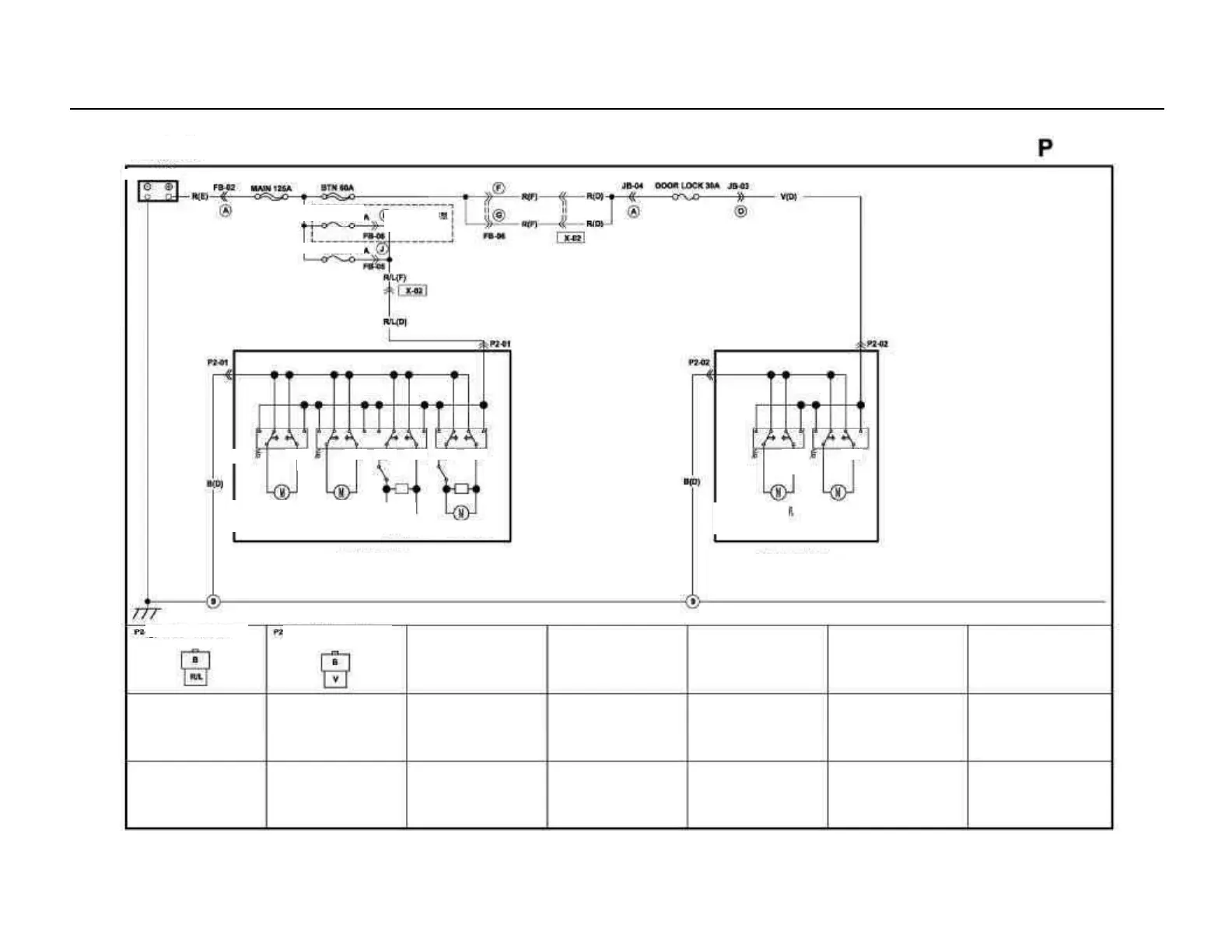
Rear
Battery
Power seat
Passenger side power
seat (D)
Driver side power seat
(D)
Power seat 20A
Power seat 30A
Part of early
models
Rea
r
Front
Front
Passenger side power seat
Driver side power seat
Angle adjusting
motor
Slide rail
motor
Rear
Rear
Front
Front
Lower
Lower
Upper
Upper
Angle adjusting
motor
Slide rail
motor
Rear regulator
motor
Front regulator motor

Table of Contents

Related product manuals