EasyManua.ls Logo

HAIMA 7 - Page 635

HAIMA 7
654 pages
Print Icon
To Next Page IconTo Next Page
To Next Page IconTo Next Page
To Previous Page IconTo Previous Page
To Previous Page IconTo Previous Page
Loading...
96
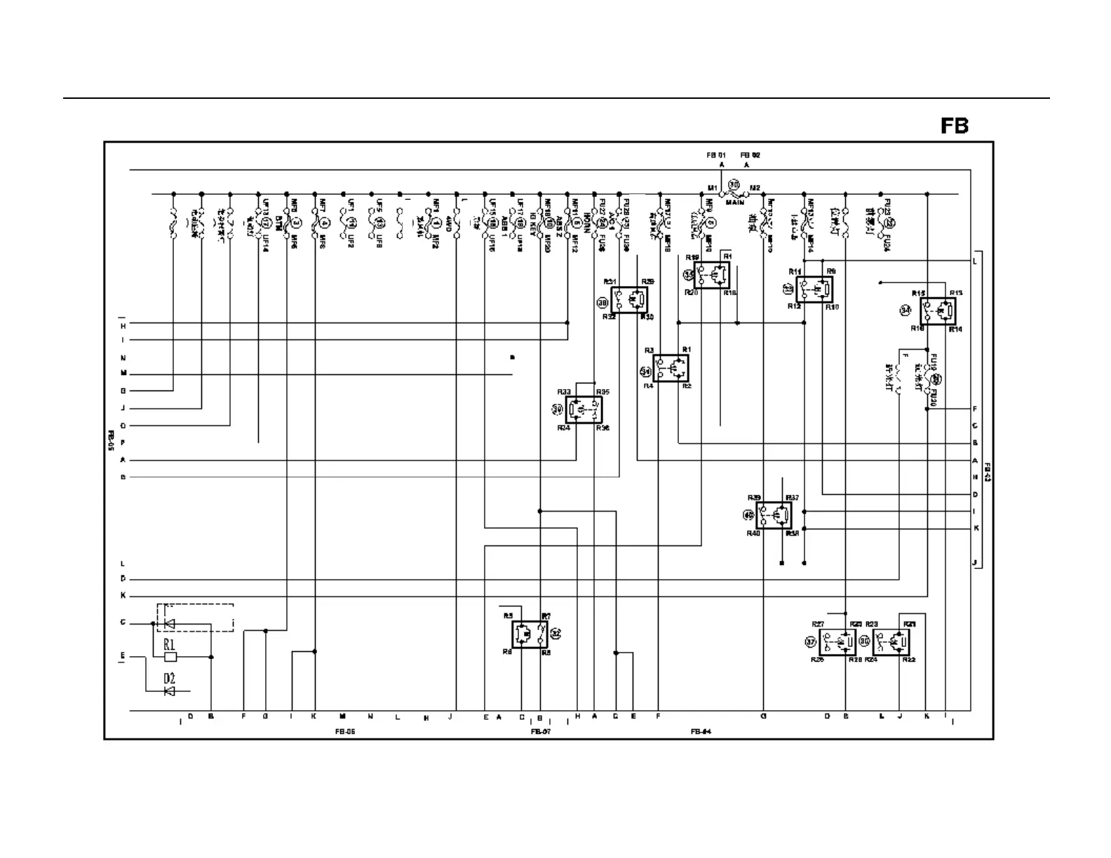
Wiring diagram on fuse block
Part of early models
High beam
Low beam
Front fog lamp
Position lamp
Main relay
Oil pump
Low-speed
fan
High-speed fan
Defrost
Blower
Brake lamp
Hazard warning lamp
Power seat

Table of Contents

Related product manuals