EasyManua.ls Logo

Siemens Hipath 5000 - Figure 3-92 Wiring and Ranges for S Bus Jacks

Siemens Hipath 5000
1202 pages
Print Icon
To Next Page IconTo Next Page
To Next Page IconTo Next Page
To Previous Page IconTo Previous Page
To Previous Page IconTo Previous Page
Loading...
boards.fm
P31003-H3560-S403-54-7620, 09/05
HiPath 3000 V6.0, HiPath 5000 V6.0, Provisional Service Manual
3-227
Boards for HiPath 3000
Peripheral Boards
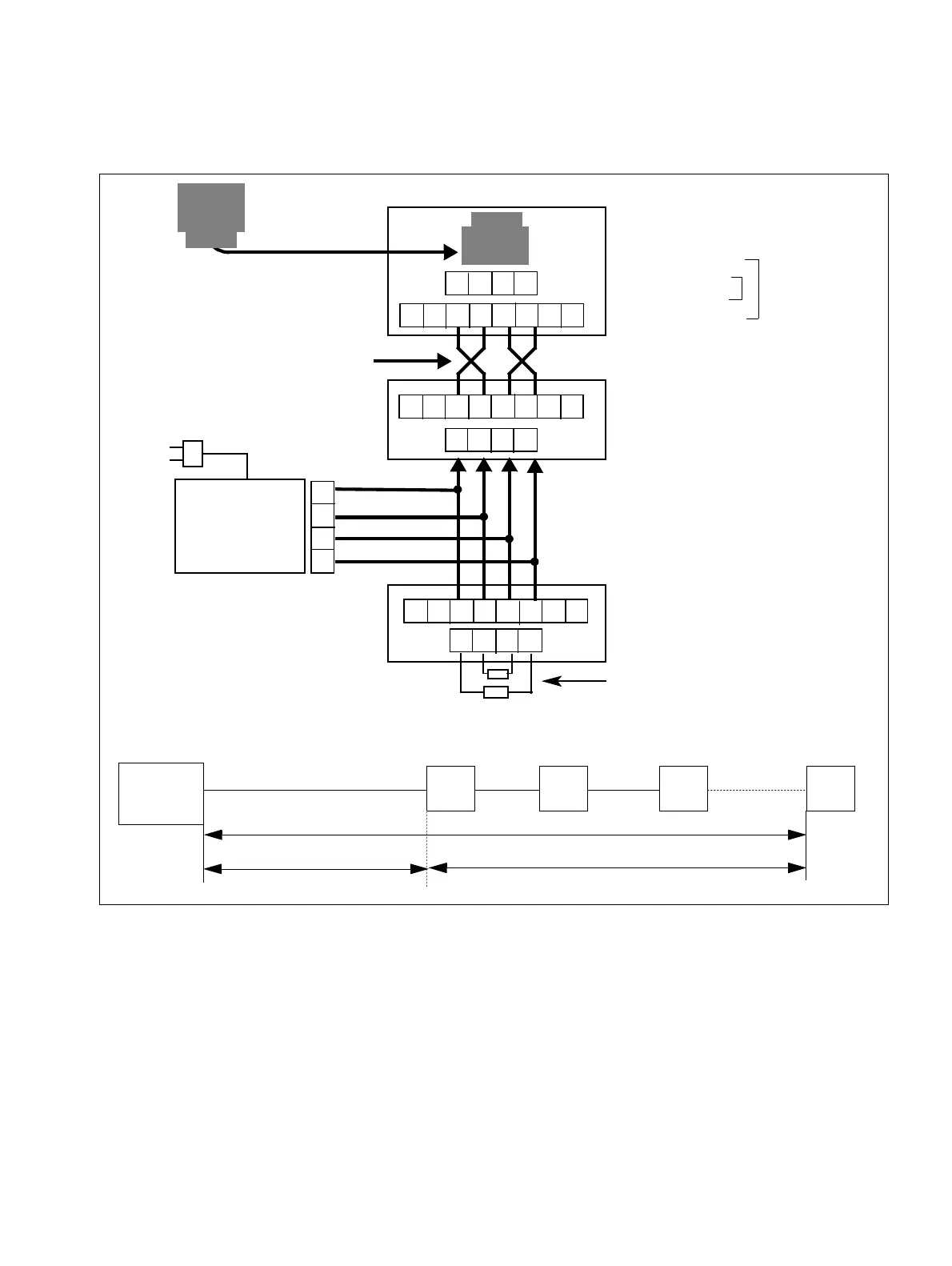
Figure 3-92 Wiring and Ranges for S
0
Bus Jacks
The connecting cord of the
ISDN telephone must not ex-
ceed
10 m in length.
To switch from external to inter-
nal S
0
operation, you must
cross the SR and SX wires be-
fore the first jack.
UAE
connector
Additional
power supply
230 V
Mini-Western
through-jack
(MW8 = 8-pin)
SR.1 Receive 5
SX.1 Transmit 3
SX.2 Transmit 6
SR.2 Receive 4
1st Mini-Western jack
(MW8 = 8-pin)
2nd to 8th Mini-Western jack
(MW8 = 8-pin)
100 /0.25 W
Terminating resistor in last jack
System
S
0
1 to S
0
4
*
twisted
pair
8
1
765432
SX
SX SR
SR
* = Not crossed in TA-S
0
8
1
765432
8
1
765432
6
4
5
3
Maximum ranges:
System 3
12
8
Short bus: 150 m (492 ft.)
Long bus: 150 m (492 ft.)
20m

Table of Contents

Other manuals for Siemens Hipath 5000

Related product manuals