EasyManua.ls Logo

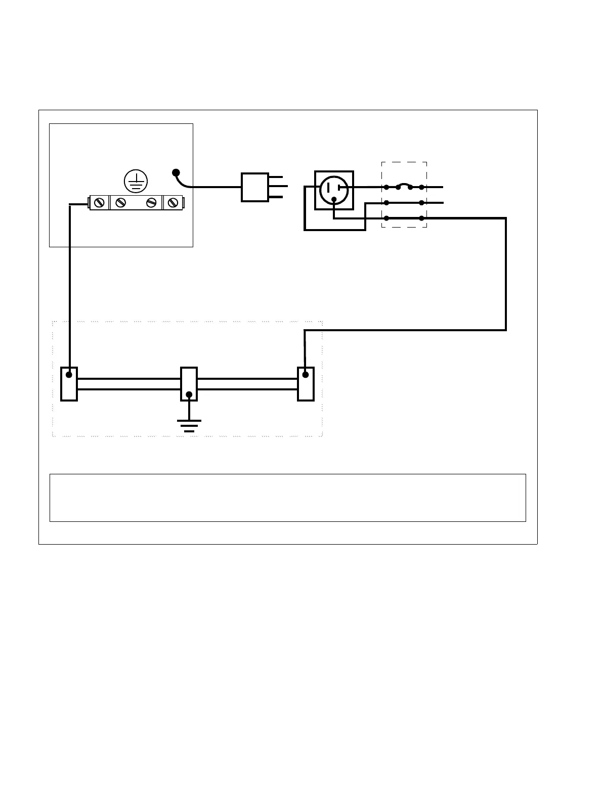
Siemens Hipath 5000 - Figure 4-63 Hipath 3750 - Grounding Connector for Basic Cabinet

Siemens Hipath 5000
1202 pages
Print Icon
To Next Page IconTo Next Page
To Next Page IconTo Next Page
To Previous Page IconTo Previous Page
To Previous Page IconTo Previous Page
Loading...
Installing HiPath 3000
P31003-H3560-S403-54-7620, 09/05
4-112 HiPath 3000 V6.0, HiPath 5000 V6.0, Provisional Service Manual
inst_h3.fm
Installing HiPath 3750, HiPath 3700
Grounding the Main Distribution Frame
Mount and ground the MDF in accordance with the manufacturer’s instructions.
Figure 4-63 HiPath 3750 - Grounding connector for Basic Cabinet (for U.S. only)
HiPath 3750
Located in the electrical service
panel providing power to the Hi-
Path 3750 system.
Main grounding ter-
minal
Connection cable
with plug
Recommended: 12 AWG solid or stranded copper wire con-
ductor not exceeding 126 feet in length; blank or green/yel-
low.
Grounding point (example: Master
ground busbar)
AC outlet
Fuse box facil-
ity
20 A
120 VAC, 60 Hz
Neutral ground
Note: Single-point ground (SPG) configuration shown.
7
DANGER
This wire installation must be completed by a qualified electrician and must
comply with the national and local electrical codes.

Table of Contents

Other manuals for Siemens Hipath 5000

Related product manuals