EasyManua.ls Logo

Fuji Xerox Phaser 5500

Fuji Xerox Phaser 5500
623 pages
To Next Page IconTo Next Page
To Next Page IconTo Next Page
To Previous Page IconTo Previous Page
To Previous Page IconTo Previous Page
Loading...
9-12 Phaser 5500 Printer Service Manual
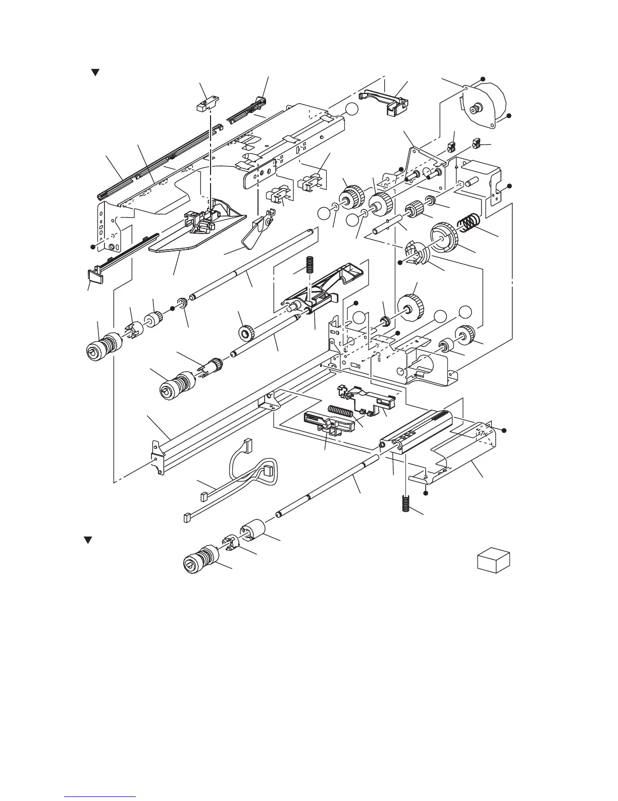
Parts List 2.3 Feeder 2/2
B
A
B
A
C
C
2
44
45
45
14
14
3
7
8
9
10
11
16
13
12
46
17
39
39
18
19
21
22
23
24
25
27
47
26
29
30
33
35
36
37
50
49
31
48
38
20
20
20
34
40
42
43
15
Pre Feed
Sensor
Level Sensor
No Paper
Sensor
5
6
4
s5500-194
Right
Front
1 (with 2-50)
99 (with 20x3Pcs.)
E
E
S
S
S
S
S
S
S
S
S

Table of Contents

Related product manuals