EasyManua.ls Logo

HAIMA 7 - Page 581

HAIMA 7
654 pages
Print Icon
To Next Page IconTo Next Page
To Next Page IconTo Next Page
To Previous Page IconTo Previous Page
To Previous Page IconTo Previous Page
Loading...
42
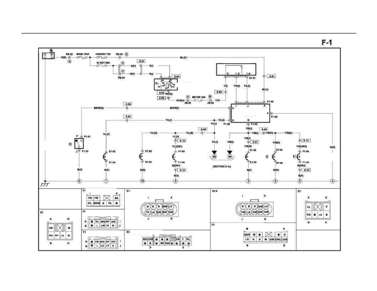
Battery
Turn lamp and hazard warning lamp
Steering switch
Ignition switch
Flash unit
Hazard warning
lamp
Left front turn lamp
Left rear turn lamp
Left outside rear-
view
mirror / turn lamp
Right front
turn lamp
Right rear
turn lamp
Right outside rear-view
mirror / turn lamp
Combination instrument
Left rear turn
lamp (D)
Left front turn lamp (F)
Flash unit (D)
Right rear turn lamp (D)
Steering switch (D)
Right front turn lamp (F)
Left outside rear
-
view
mirror / turn lamp (DR1)
Right outside rear
-
view
mirror / turn lamp (DR2)
Hazard warning lamp (D)

Table of Contents

Related product manuals