EasyManua.ls Logo

HAIMA 7 - Page 585

HAIMA 7
654 pages
Print Icon
To Next Page IconTo Next Page
To Next Page IconTo Next Page
To Previous Page IconTo Previous Page
To Previous Page IconTo Previous Page
Loading...
46
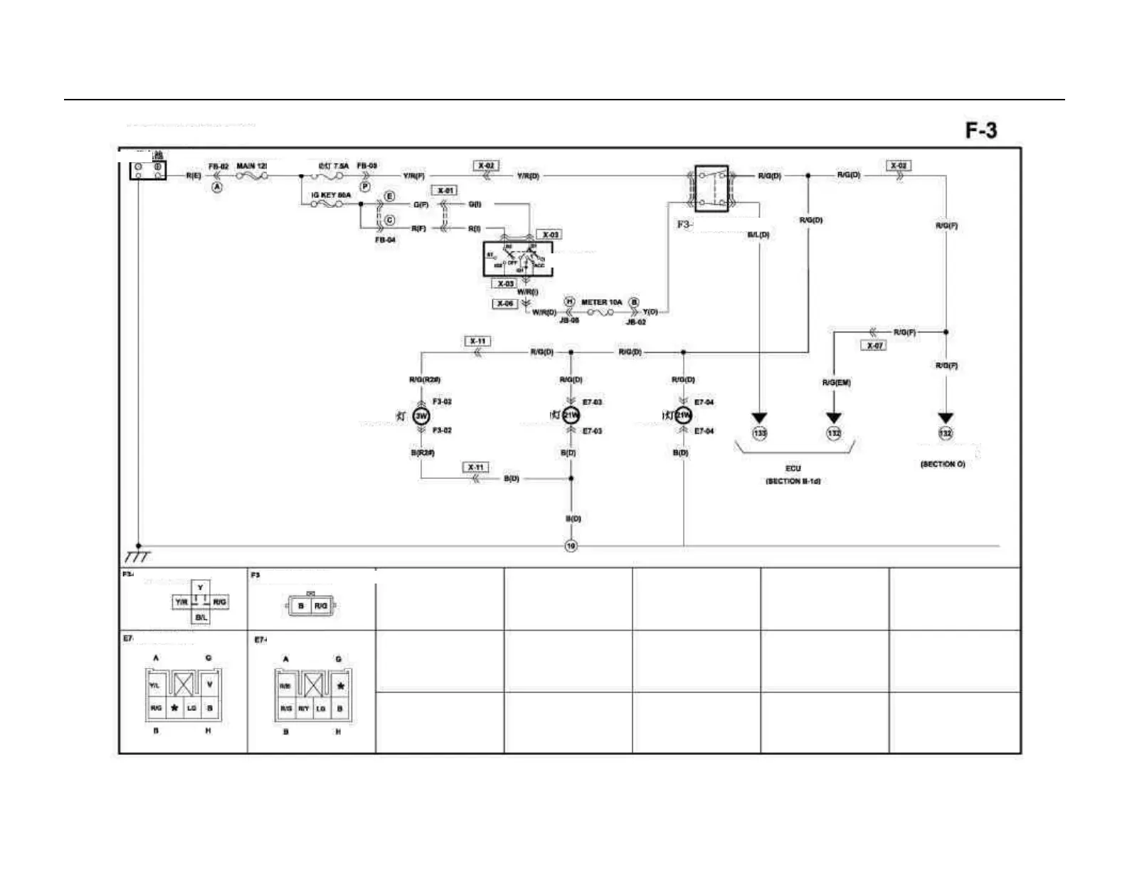
Brake lamp/ High mount brake lamp
Battery
Brake lamp
Ignition switch
Brake switch (D)
Right brake lamp
Left brake lamp
High mount brake lamp
ABS control unit
High mount brake lamp (R2#)
Brake switch (D)
Left brake lamp (D)
right brake lamp (D)

Table of Contents

Related product manuals