EasyManua.ls Logo

HAIMA 7 - Page 613

HAIMA 7
654 pages
Print Icon
To Next Page IconTo Next Page
To Next Page IconTo Next Page
To Previous Page IconTo Previous Page
To Previous Page IconTo Previous Page
Loading...
74
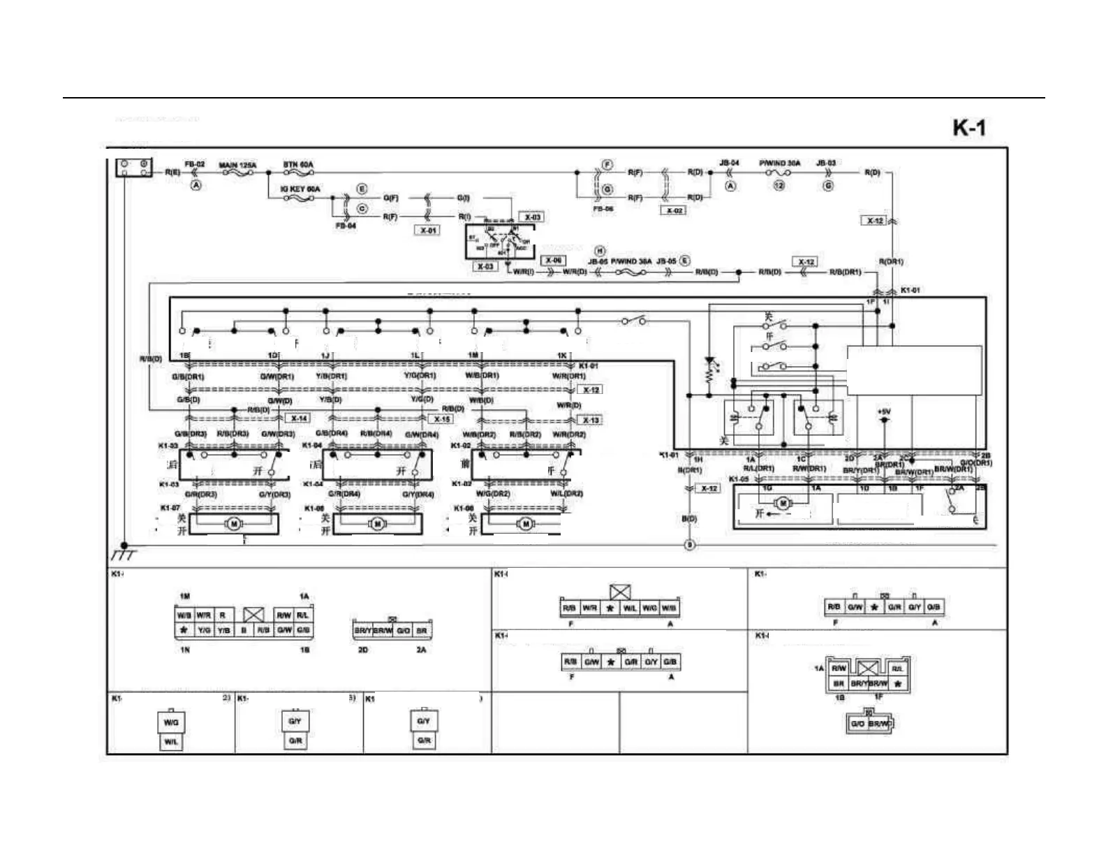
Power door window system
Battery
Ignition switch
Power door window main switch
Power switch
Power window control
module
Off
On
On
On
Off
Off
On
Off
On
Off
On
Off
Off
On
On
On
On
On
On
Off
Off
Off
On
Off
Automatic
Pulse generator
Limiting
switch
Front left window regulator
Power window
auxiliary switch
Power window
regulator
Rear left
Rear left
Rear
right
Rear right
Front
right
Front right
Power door window main switch (DR1)
Front right power window regulator
(DR2)
Rear left power window regulator
(DR3)
Rear right power window regulator
(DR4)
Auxiliary power window switch of right front door (DR2)
Auxiliary power window switch of right rear door (DR4)
Auxiliary power window switch of left rear door (DR3)
Front left power window regulator (DR1)

Table of Contents

Related product manuals