EasyManua.ls Logo

HAIMA 7 - Page 631

HAIMA 7
654 pages
Print Icon
To Next Page IconTo Next Page
To Next Page IconTo Next Page
To Previous Page IconTo Previous Page
To Previous Page IconTo Previous Page
Loading...
92
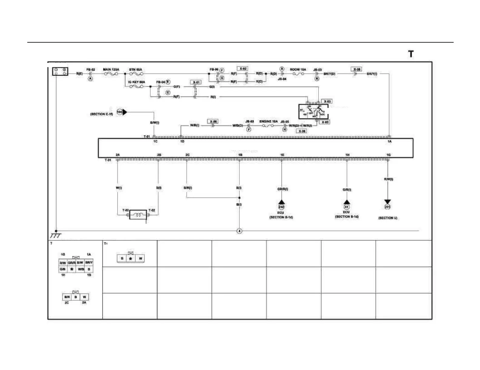
Ignition switch
Anti-theft coil
Anti-theft control unit
Diagnostic interface
Combination Instrument
Battery
Anti
-
theft coil (D)
Anti-theft control unit (D)
Battery
Anti-theft coil

Table of Contents

Related product manuals