EasyManua.ls Logo

HAIMA 7 - Page 633

HAIMA 7
654 pages
Print Icon
To Next Page IconTo Next Page
To Next Page IconTo Next Page
To Previous Page IconTo Previous Page
To Previous Page IconTo Previous Page
Loading...
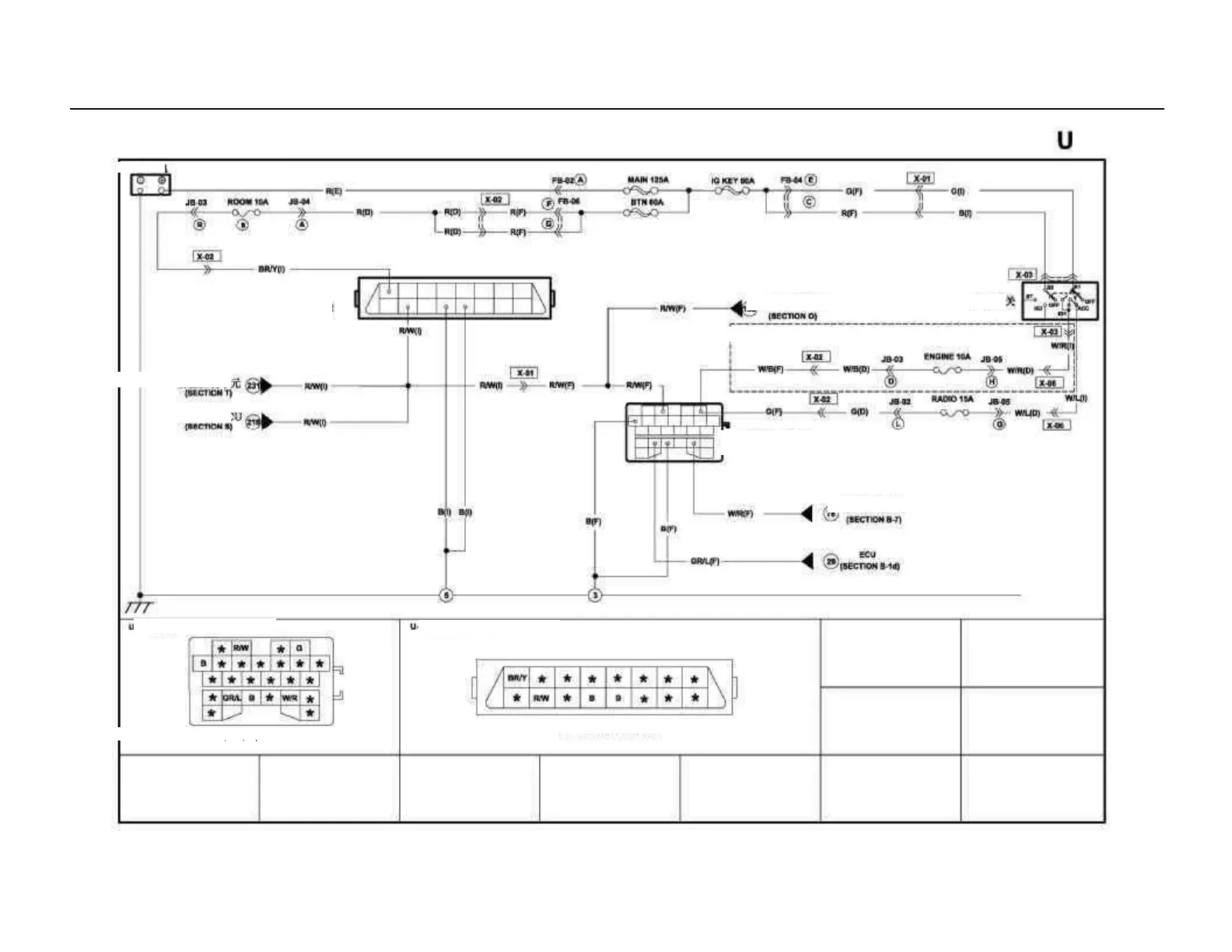
94
Diagnostic interface (DLC)
Ignition switch
Diagnostic interface (DLC)-2
Battery
ABS control unit
Part of early models
Diagnostic interface (DLC)
Fuel control system
Anti-theft control unit
Air bag ECU
Diagnostic interface (DLC) (EM)
Diagnostic interface (DLC)-2(I)
Caution: This figure is shown when viewed from the harness terminal.
Caution: This figure is shown when viewed from the harness
terminal.

Table of Contents

Related product manuals