EasyManua.ls Logo

MacDon M1240 - Page 239

MacDon M1240
614 pages
Print Icon
To Next Page IconTo Next Page
To Next Page IconTo Next Page
To Previous Page IconTo Previous Page
To Previous Page IconTo Previous Page
Loading...
215916 219 Revision A
1028532
A
B
C
D
E
F
G
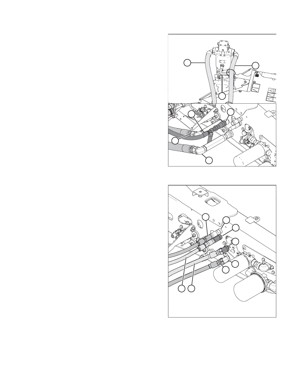
Figure 4.243: Hard-Plumbed Connections on R216
Rotary Disc Header Ready Windrower
3. Connect the hydraulic hoses to the windrower as follows:
a. Connect disc pressure hose (A) (fitted with red cable
tie [B]) to hard plumb fitting (C) (fitted with a red cable
tie) and torque the connection to 215 Nm (159 lbf·ft).
b. Connect disc return hose (D) to hard plumb fitting (E)
and torque the connection to 215 Nm (159 lbf·ft).
c. Connect case drain hose (F) to fitting (G).
1034102
A
B
C
H
F
E
D
G
Figure 4.244: Grass Seed Hydraulic Connections
Rotary Disc Configuration
4. Grass seed header: Connect the additional four hoses
supplied with the grass seed version of the header as
follows:
a. Remove the plug (not shown) from drive manifold port
R1. Install 45° fitting (A) in port R1. Connect hose (C)
(blue cable tie) to fitting (A).
NOTE:
The other end of hose (C) connects to the grass seed
modules drum on the right side of the header.
b. Remove the plug (not shown) from drive manifold port
CP2. Install 45° fitting (B) in port CP2. Connect hose (D)
(red cable tie) to fitting (B).
NOTE:
The other end of hose (D) connects to the grass seed
modules drum on the left side of the header.
c. Connect hose (green cable tie) with female quick
coupler (E) to coupler (F) as shown.
d. Connect hose (yellow cable tie) with male quick
coupler (G) to coupler (H) as shown.
OPERATION

Table of Contents

Other manuals for MacDon M1240

Related product manuals