EasyManua.ls Logo

Siemens Hipath 5000 - Page 349

Siemens Hipath 5000
1202 pages
To Next Page IconTo Next Page
To Next Page IconTo Next Page
To Previous Page IconTo Previous Page
To Previous Page IconTo Previous Page
Loading...
boards.fm
P31003-H3560-S403-54-7620, 09/05
HiPath 3000 V6.0, HiPath 5000 V6.0, Provisional Service Manual
3-259
Boards for HiPath 3000
Peripheral Boards
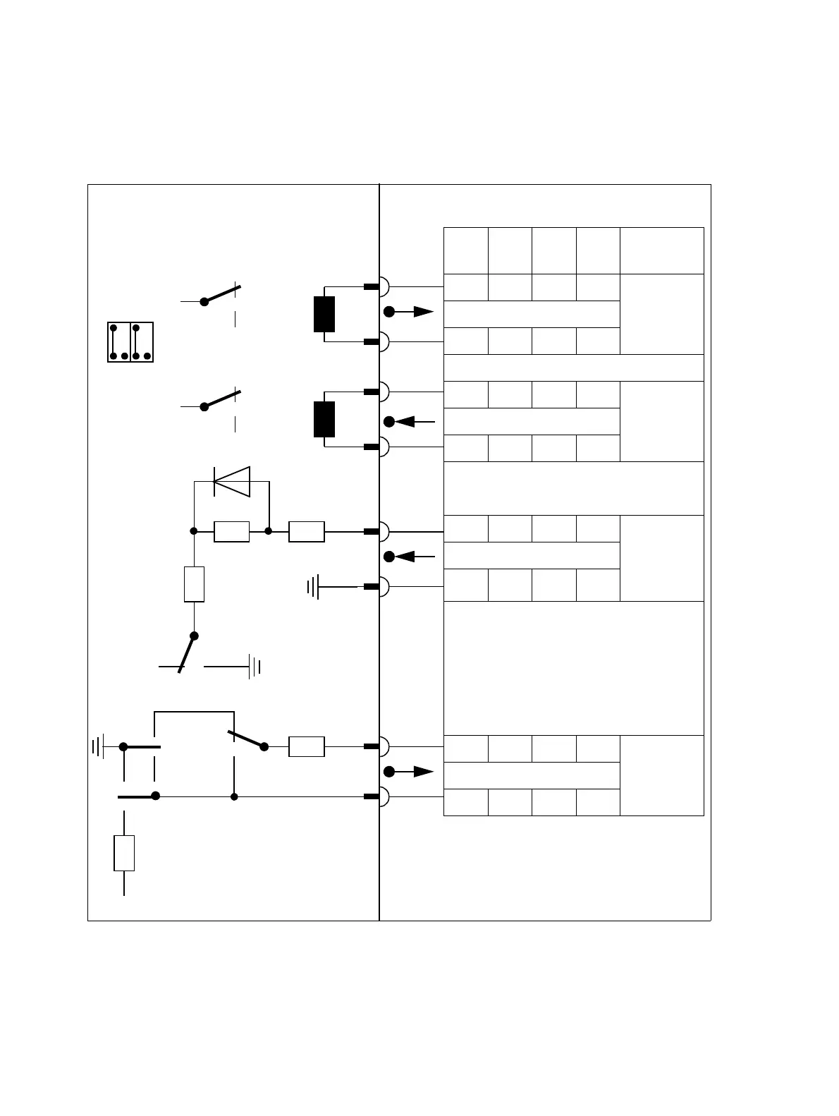
E&M interface type 2 - circuit diagram, MDFU or MDFU-E numbering (not for U.S.)
Figure 3-109 E&M Interface Type 2 - Circuit Diagram, MDFU or MDFU-E Numbering (Not for
U.S.)
1
4
5
6
2
3
a2
b2
a1
b1
2
2 3
1
5 6
4
S104
- 48 V
E
SG
M
SB
TIEL
Circuit 1, E&M interface type 2
4 speech wires
Splitting strip in MDFU/MDFU-E
CCT
1
CCT
2
CCT
3
CCT
4
Notes
1 a 5 a 9 a 13 a
Outgoing
speech
1 b 5 b 9 b 13 b
2 a 6 a 10 a 14 a
Incoming
speech
2 b 6 b 10 b 14 b
3 a 7 a 11 a 15 a Incom-
ing
signal-
ing
3 b 7 b 11 b 15 b
4 a 8 a 12 a 16 a
Out-
going
signaling
4 b 8 b 12 b 16 b
- 48 V
27
PTC
K101
S103
1
4
3
S102
1
2.4 k
150 120
Optocoupler
S104
S104
5
2
6
3

Table of Contents

Other manuals for Siemens Hipath 5000

Related product manuals