EasyManua.ls Logo

Toa VX-2000SF - Connections between VX-2000 and VX-2000 Sf

Toa VX-2000SF
328 pages
Print Icon
To Next Page IconTo Next Page
To Next Page IconTo Next Page
To Previous Page IconTo Previous Page
To Previous Page IconTo Previous Page
Loading...
Chapter 9: CONNECTIONS
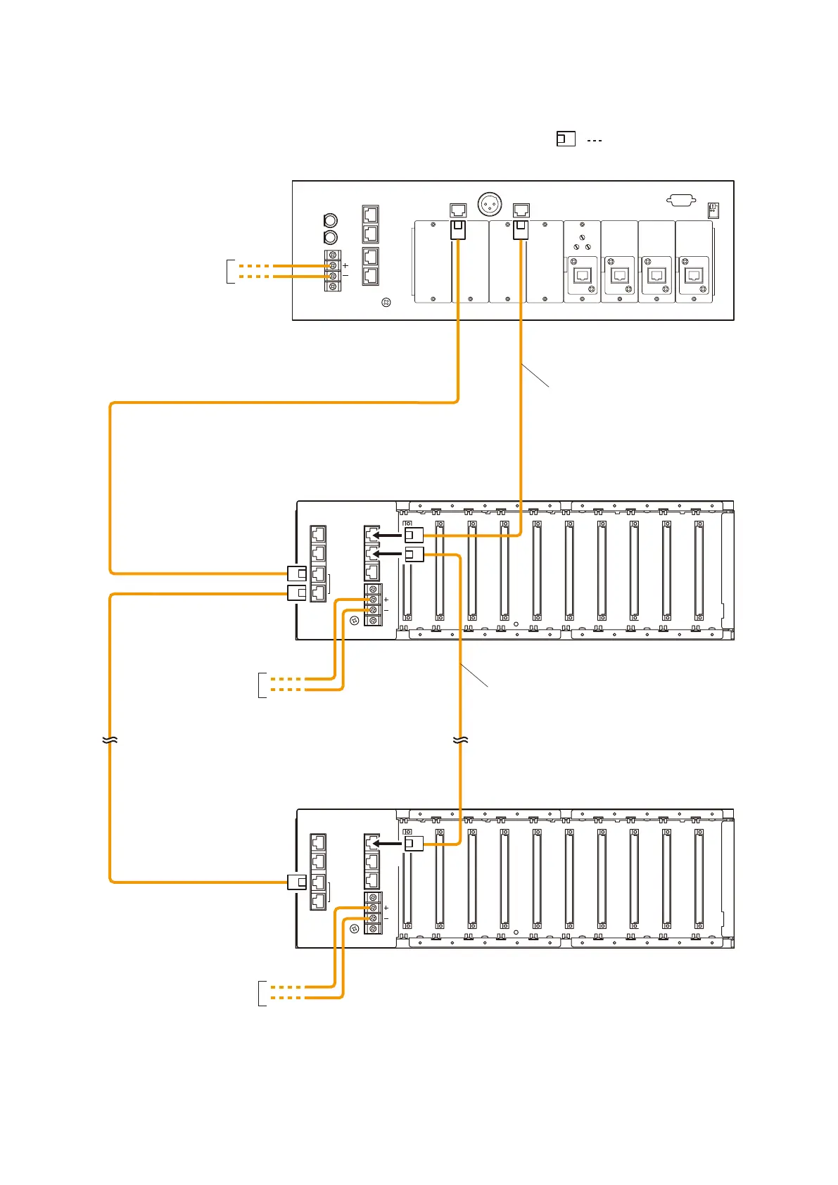
2. CONNECTIONS BETWEEN VX-2000 AND VX-2000SF
9-3
2. CONNECTIONS BETWEEN VX-2000 AND VX-2000SF
IN
OUT
AUDIO
LINK
DC POWER IN
DATA
LINK
IN
OUT
AUDIO
LINK
DC POWER IN
DATA
LINK
DATA LINK
DC POWER IN
AUDIO LINK
OUT
Cat. 5 STP
Cat. 5 STP
[VX-2000 Rear]
[VX-2000SF No. 1 Rear]
[VX-2000SF No. 5 Rear]
RJ45 male connector
Cat. 5 STP
Cat. 5 STP
From VX-2000DS'
or VX-3000DS'
DC POWER OUT
From VX-2000DS'
or VX-3000DS'
DC POWER OUT
From VX-2000DS'
or VX-3000DS'
DC POWER OUT
Note
Turn ON the terminator of the VX-2000SF connected last using the unit's front-mounted setting DIP switch.
When a single VX-2000SF unit is connected, switch its terminator ON.
For setting the terminator, refer to p. 8-26.

Table of Contents

Other manuals for Toa VX-2000SF

Related product manuals