EasyManua.ls Logo

Toa VX-2000SF - 3. SF MODULES (VX-200 SP, VX-200 SZ, VX-200 SI, VX-200 SO) CONNECTIONS

Toa VX-2000SF
328 pages
Print Icon
To Next Page IconTo Next Page
To Next Page IconTo Next Page
To Previous Page IconTo Previous Page
To Previous Page IconTo Previous Page
Loading...
Chapter 9: CONNECTIONS
3. SF MODULES (VX-200SP, VX-200SZ, VX-200SI, VX-200SO) CONNECTIONS
9-4
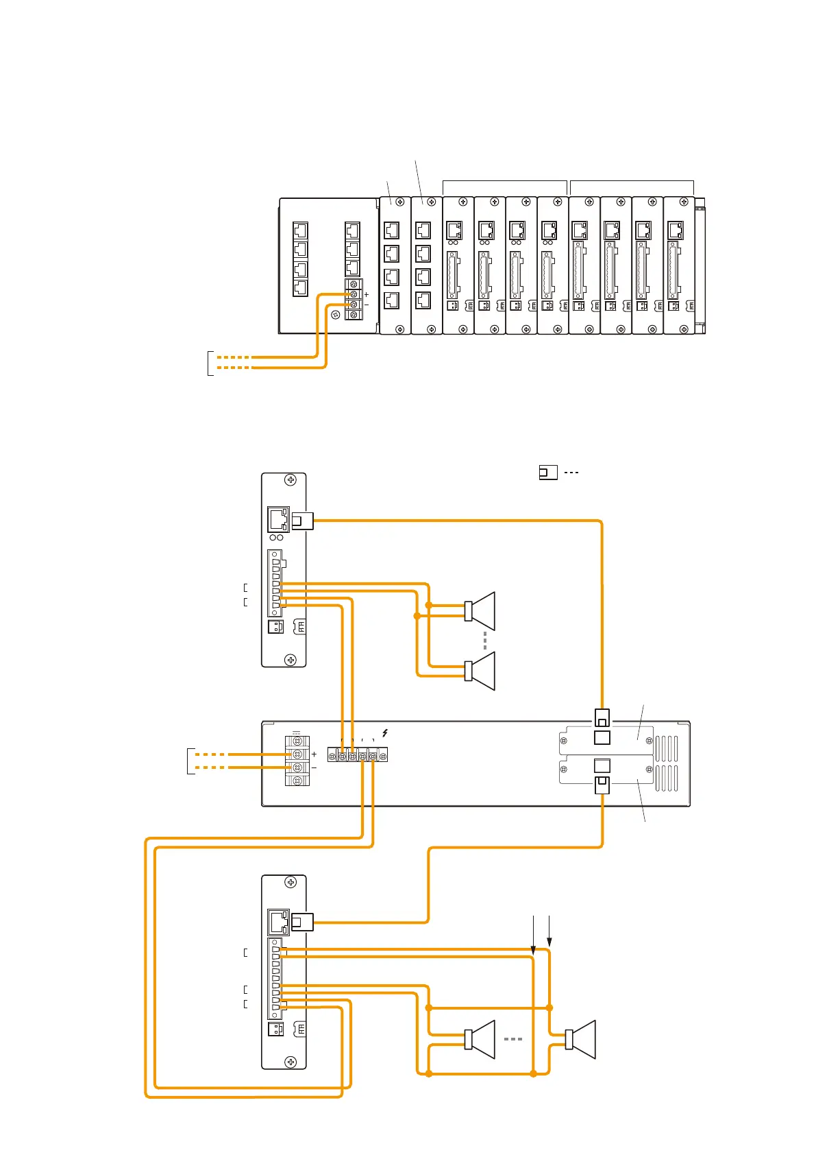
3.
SF MODULES (VX-200SP, VX-200SZ, VX-200SI, VX-200SO) CONNECTIONS
DC POWER IN
[VX-2000SF Rear]
VX-200SZ VX-200SP
VX-200SO
VX-200SI
From VX-2000DS'
or VX-3000DS'
DC POWER OUT
28 V 4.8 A
DC POWER IN
CH1
CH2
PA LINK
PA LINK
SP OUT
PA IN
PA LINK
H
C
H
C
SP OUT
PA IN
PA LINK
H
C
H
C
LINE MONITOR
H
C
1
1 n
n
RJ45 male connector
VX-200SZ
VX-200SP
Cat. 5 STP
Cat. 5 STP
End of line
[VP-2122 Rear]
VP-200VX
VP-200VX
PA OUT (SP LINK)
CH
CH2
CH
CH1
From VX-2000DS'
or VX-3000DS'
DC POWER OUT
3.1. SF Modules Configuration Example
3.2. VX-200SP and VX-200SZ Connection to Power Amplifier and Speakers
[When VP-2122 is used]

Table of Contents

Other manuals for Toa VX-2000SF

Related product manuals