EasyManua.ls Logo

Toa VX-2000SF - Power Amplifier 2 X 120 W VP-2122

Toa VX-2000SF
328 pages
Print Icon
To Next Page IconTo Next Page
To Next Page IconTo Next Page
To Previous Page IconTo Previous Page
To Previous Page IconTo Previous Page
Loading...
Chapter 13: SPECIFICATIONS
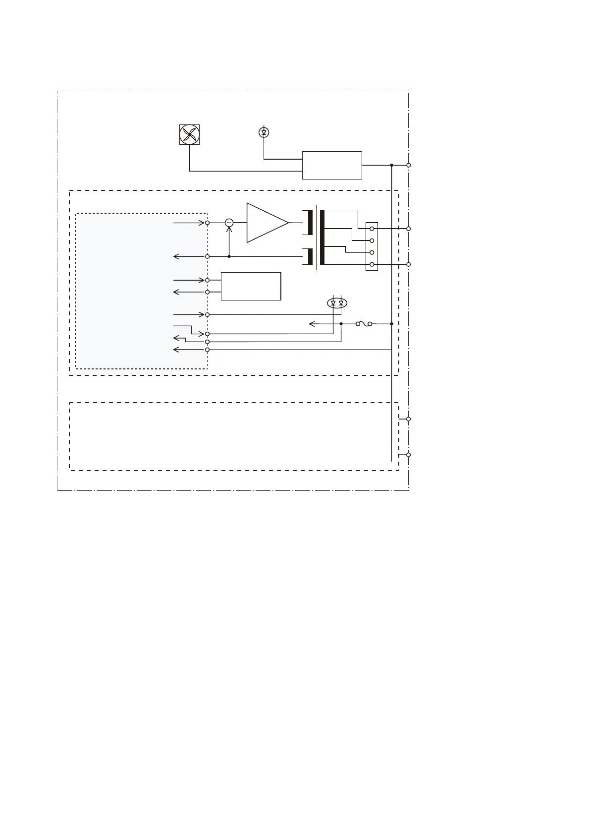
1. BLOCK DIAGRAM
13-10
1.11. Power Amplifier 2 x 120 W VP-2122
Audio Signal Input
Input Module Slot
Audio Monitor Output
Standby Control Input
Green LED Control
Overheat Status Output
Red LED Control
DC Fuse Blowout
Detection Output
Cooling FanOverheat LED [OVERHEAT]
Control Circuit
Control Circuit
Power LED [POWER]
Fuse 15 A
DC
100 V
70 V
50 V
DC Power Input
[DC POWER IN]
CH1 Speaker Line Output
[PA OUT (SP LINE)]
HOT
COLD
CH2 Speaker Line Output
[PA OUT (SP LINE)]
HOT
COLD
DC Output
CH1
CH2
Same as above

Table of Contents

Other manuals for Toa VX-2000SF

Related product manuals