EasyManua.ls Logo

Toa VX-2000SF - Power Amplifier Input Module VP-200 VX; Power Amplifier 1 X 240 W VP-2241 and Power Amplifier 1 X 420 W VP-2421

Toa VX-2000SF
328 pages
Print Icon
To Next Page IconTo Next Page
To Next Page IconTo Next Page
To Previous Page IconTo Previous Page
To Previous Page IconTo Previous Page
Loading...
Chapter 13: SPECIFICATIONS
1. BLOCK DIAGRAM
13-9
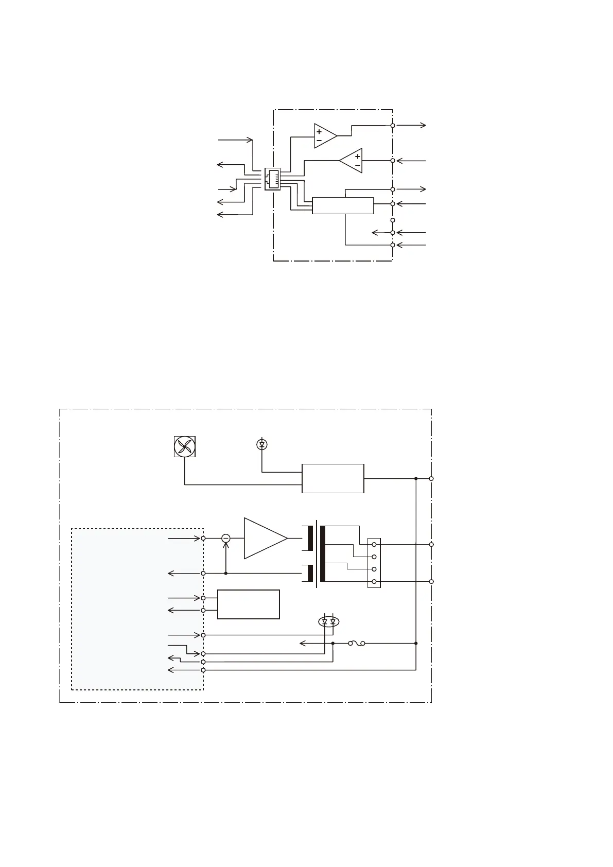
1.10. Power Amplifier 1 x 240 W VP-2241 and Power Amplifier 1 x 420 W VP-2421
Audio Signal Input
Input Module Slot
Audio Monitor Output
Standby Control Input
Green LED Control
Overheat Status Output
Red LED Control
DC Fuse Blowout
Detection Output
Cooling FanOverheat LED [OVERHEAT]
Control Circuit
Control Circuit
Power LED [POWER]
Fuse 25 A (VP-2241)
35 A (VP-2421)
DC
100 V
70 V
50 V
DC Power Input
[DC POWER IN]
Speaker Line Output
[PA OUT (SP LINE)]
HOT
COLD
DC Output
1.9. Power Amplifier Input Module VP-200VX
Audio Signal Input (balanced)
Audio Monitor Output (balanced)
Standby Control Input
DC Fuse Blowout Detection Output
Overheat Status Output
Audio Signal Output
Audio Monitor Input
Standby Control Output
Overheat Status Input
DC Input
DC Fuse Blowout Detection
DC
Control Circuit

Table of Contents

Other manuals for Toa VX-2000SF

Related product manuals