EasyManua.ls Logo

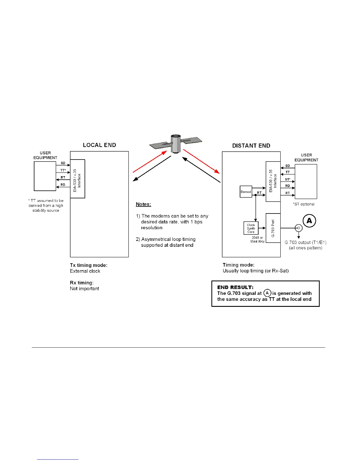
Comtech EF Data CDM-625 - Figure 9-8. G.703 Clock Extension Mode 2

Comtech EF Data CDM-625
690 pages
Print Icon
To Next Page IconTo Next Page
To Next Page IconTo Next Page
To Previous Page IconTo Previous Page
To Previous Page IconTo Previous Page
Loading...
CDM-625 Advanced Satellite Modem Revision 13
Clock Modes and Drop and Insert (D&I) MN-CDM625
9–14
Figure 9-8. G.703 Clock Extension Mode 2
CDM-625 CDM-625

Table of Contents

Related product manuals