EasyManua.ls Logo

Dodge Sprinter 2006 - Page 1764

Dodge Sprinter 2006
2315 pages
Print Icon
To Next Page IconTo Next Page
To Next Page IconTo Next Page
To Previous Page IconTo Previous Page
To Previous Page IconTo Previous Page
Loading...
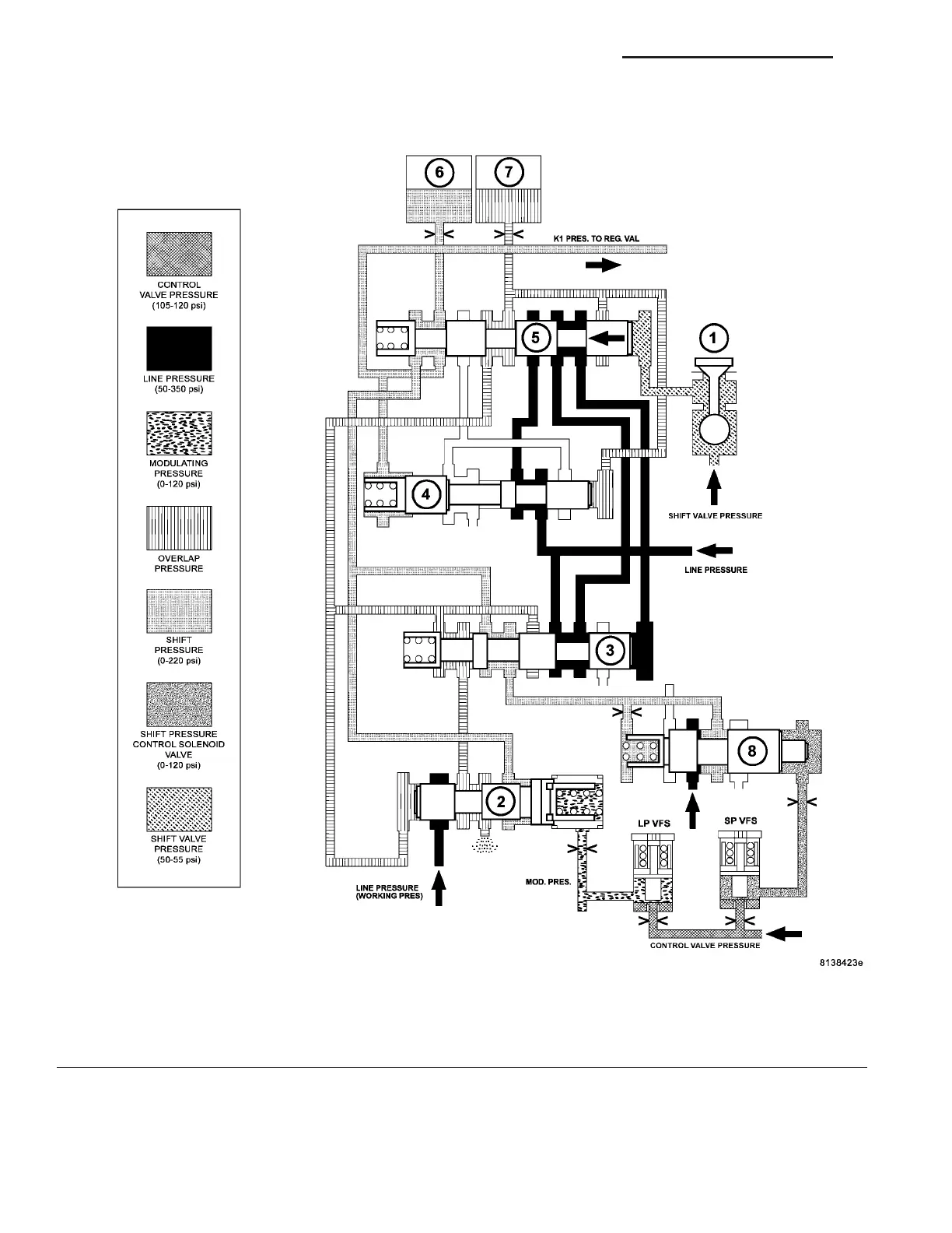
Shift Phase - 1-2 Shift Phase 1
When th e 1-2 and 4-5 shift solenoid valve (1) (Fig.
17) is turned on, the shift valve pr essu re (p-SV) is
direct ed on to the end face of the command valve (5).
The comma nd va lve is moved a nd th e shift pressur e
(p-S) coming from the sh ift pr essu re sh ift valve (3) is
Fig. 17 Shift Phase - 1-2 Shift Phase 1
1 - 1-2/4-5 SHIFT SOLENOID 5 - 1-2/4-5 COMMAND VALVE
2 - 1-2/4-5 OVERLAP VALVE 6 - DRIVING CLUTCH K1
3 - 1-2/4-5 SHIFT PRESSURE SHIFT VALVE 7 - HOLDING CLUTCH B1
4 - 1-2/4-5 HOLDING PRESSURE SHIFT VALVE 8 - SHIFT PRESSURE REGULATOR VALVE
21 - 26 AUTOMATIC TRANSMISSION NAG1 - SERVICE INFORMATION VA

Table of Contents

Related product manuals