EasyManua.ls Logo

Dodge Sprinter 2006 - Page 1812

Dodge Sprinter 2006
2315 pages
Print Icon
To Next Page IconTo Next Page
To Next Page IconTo Next Page
To Previous Page IconTo Previous Page
To Previous Page IconTo Previous Page
Loading...
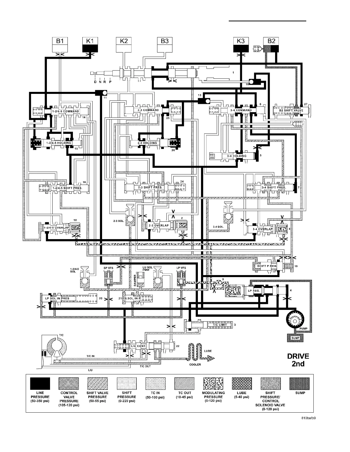
HYDRAULIC FLOW IN DRIVE - SECOND GEAR
21 - 74 AUTOMATIC TRANSMISSION NAG1 - SERVICE INFORMATION VA

Table of Contents

Related product manuals