EasyManua.ls Logo

Dodge Sprinter 2006 - Page 694

Dodge Sprinter 2006
2315 pages
Print Icon
To Next Page IconTo Next Page
To Next Page IconTo Next Page
To Previous Page IconTo Previous Page
To Previous Page IconTo Previous Page
Loading...
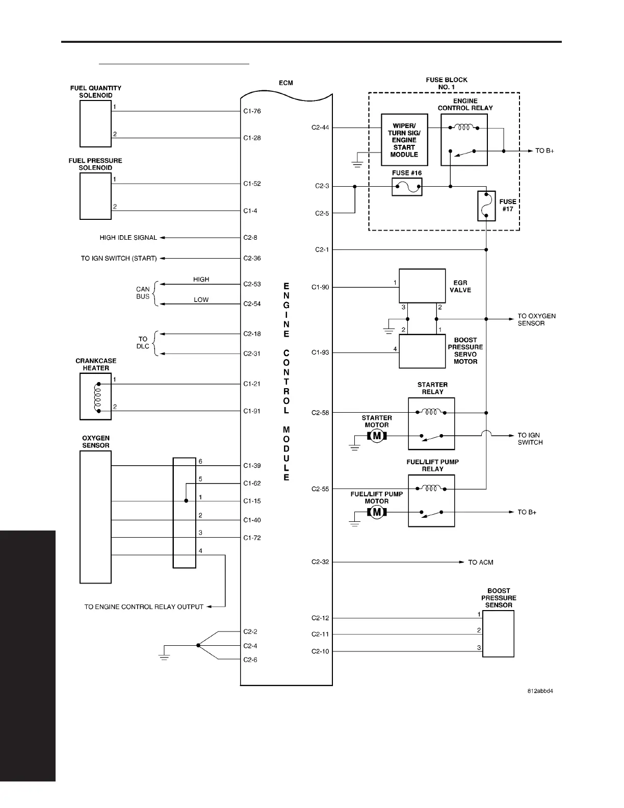
10.2 ENGINE CONTROL MODULE
S
C
H
E
M
A
T
I
C
D
I
A
G
R
A
M
S
276
SCH EM AT I C DI AGRAM S

Table of Contents