EasyManua.ls Logo

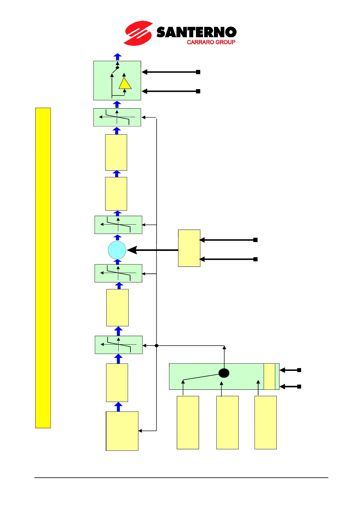
Santerno Sinus Penta - Figure 7: Speed Reference Computing

Santerno Sinus Penta
486 pages
Print Icon
To Next Page IconTo Next Page
To Next Page IconTo Next Page
To Previous Page IconTo Previous Page
To Previous Page IconTo Previous Page
Loading...
SINUS PENTA
PROGRAMMING GUIDE
106/486
Sp
eed Ref
erence
com
puti
ng
P
0
5
0
:
P
0
6
4
P
0
7
1
:
P
0
7
4
Inp
ut
for
Re
fer
enc
e
C
01
1,
C0
28
,
C
0
2
9
M
o
t
o
r
1
Control
C143, C144,
C145, C146
Control
Method
P
0
8
0
:
P
0
9
8
P
r
ohi
bit
S
peed
P
115
:P1
21
Ref
ere
nce
Va
ria
tio
n
Per
c
ent
P1
05:
P108
M
ult
i
spe
ed
Sa
tur
ati
on
I
nversi
on
-
1
Saturation
S
a
t
u
r
a
t
i
o
n
Cw/
CCW
R
E
V
C054, C071, C072
Motor 2
Control
C097, C114, C115
Motor 3
Control
A
c
t
i
v
e
m
o
t
o
r
s
e
l
e
c
t
i
o
n
Motor
3
°
Motor
M
otor 1
Control
C009
Scaling
P000662-b
P
3
9
0
:
P
3
9
9
Saturation
P067 : P069
UP
D
O
W
N
+
Up Down V
ariation
Figure 7: Speed Reference computing

Table of Contents

Other manuals for Santerno Sinus Penta

Related product manuals