EasyManua.ls Logo

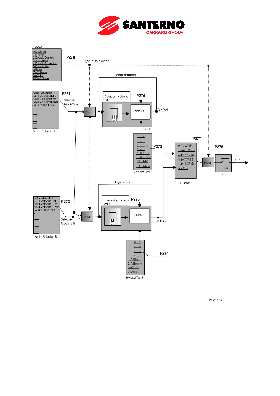
Santerno Sinus Penta - Figure 36: General Structure of the Parameterization of a Digital Output

Santerno Sinus Penta
486 pages
Print Icon
To Next Page IconTo Next Page
To Next Page IconTo Next Page
To Previous Page IconTo Previous Page
To Previous Page IconTo Previous Page
Loading...
PROGRAMMING GUIDE
SINUS PENTA
197/486
Figure 36: General structure of the parameterization of a digital output

Table of Contents

Other manuals for Santerno Sinus Penta

Related product manuals