EasyManua.ls Logo

Santerno Sinus Penta - WHEN USING TWO ENCODERS

Santerno Sinus Penta
486 pages
Print Icon
To Next Page IconTo Next Page
To Next Page IconTo Next Page
To Previous Page IconTo Previous Page
To Previous Page IconTo Previous Page
Loading...
SINUS PENTA
PROGRAMMING GUIDE
352/486
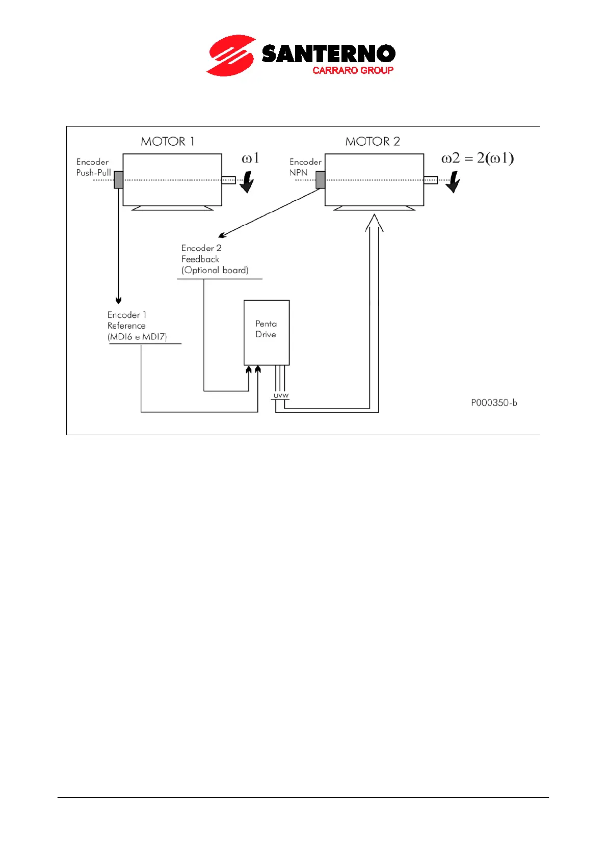
38.1.3. WHEN USING TWO ENCODERS
Figure 55: Using two encoders (example)
Suppose that motor 2 is to be controlled in closed chain and that its speed value is twice the speed value of motor 1.
To do so, use speed of motor 1, provided with an encoder, as the reference for the Penta Drive, and use the speed
measure of encoder B, which is coaxial to the motor controlled by the drive, as a speed feedback.
Suppose that motor 1 speed ranges from 0 to 750rpm and that motor 1 is provided with a PushPull encoder with
SingleEnded outputs and that its resolution is 2048 pls/rev.
Motor 2 is provided with an NPN encoder with SingleEnded outputs; its resolution is 1024 pls/rev.
Only one Push-Pull encoder can be connected to digital inputs MDI6-MDI7, so encoder NPN of motor 2, representing
the speed feedback of the drive, must be connected to ES836 board (drive Encoder B), whereas the encoder of motor 1
(Push–Pull), used as a reference, shall be connected to terminals MDI6 and MDI7 (drive Encoder A).
Encoder Configuration is as follows:
Encoder/Frequency Inputs Menu
(operating modes and encoder feature setting)
C189 = [6: AReference BFeedback] (Encoder/Frequency input operating mode)
C190 = 2048 pls/rev (Number of pls/rev for Encoder A)
C191 = 1024 pls/rev (Number of pls/rev for Encoder B)
C197 = [0: 2Ch.Quad.] (Number of channels of Encoder A)
C198 = [0: 2Ch.Quad.] (Number of channels of Encoder B)
C199 = [0: Fdbk.No Ref.No] (Encoder reading sign reversal)

Table of Contents

Other manuals for Santerno Sinus Penta

Related product manuals