EasyManua.ls Logo

Santerno Sinus Penta - COMMAND SOURCES

Santerno Sinus Penta
486 pages
Print Icon
To Next Page IconTo Next Page
To Next Page IconTo Next Page
To Previous Page IconTo Previous Page
To Previous Page IconTo Previous Page
Loading...
PROGRAMMING GUIDE
SINUS PENTA
307/486
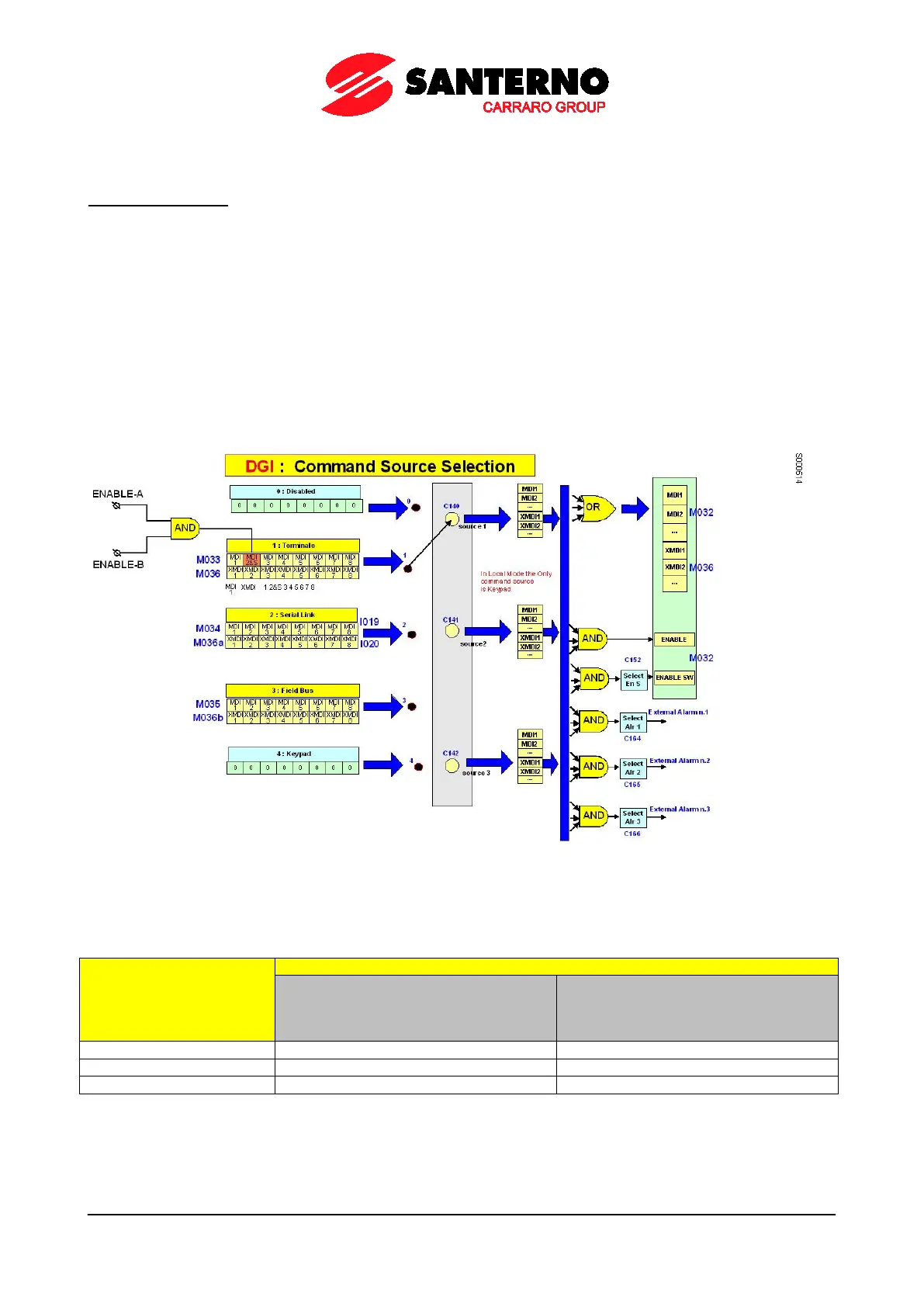
36.1.1. COMMAND SOURCES
The drive commands may be sent from the following sources:
0: Disabled
1: Terminal board A
2: Serial link (with MODBUS protocol)
3: Fieldbus (fieldbus on optional board)
4: Terminal board B
5: Keypad (remotable display/keypad)
The factory-setting enables only Terminal Board A (C140=1 and C141=1) as a command source (see also the DIGITAL
INPUTS MENU). Both Terminal board A and B refer to the same terminal board located on the control board, but allow
switching between one set of START, STOP, REVERSE commands sent to three terminals to a different set of
commands sent to three different terminals.
Most commands may be delayed (when enabled or disabled): refer to the TIMERS MENU.
Figure 49: Selecting the command sources
If the keypad is not selected as a command source or, when the keypad is selected, if the the STOP input function is
also enabled (C1500), more than one command source may be enabled at a time by programming parameters C140,
C141, C142 accordingly. The logic function for the different command sources is as follows:
Source programmed in:
Enable Conditions:
If:
C179 (Source Selection) = 0: Disable
and (logic AND)
C179a (Command Selection) = 0: Disable
If:
C179 = MDIx input
or (logic OR)
C179a = MDIx input
C140
Always active
Active if MDIx = 0
C141
Always active
Active if MDIx = 1
C142
Always active
Always active
Table 90: Enable conditions of the control sources
AND for the terminals allocated to the ENABLE functions (MDI2&S inputs on physical terminals, MDI2 via
serial command or fieldbus), ENABLE-SW, External Alarms n.1, n.2, n.3.
OR for all other terminals.

Table of Contents

Other manuals for Santerno Sinus Penta

Related product manuals