EasyManua.ls Logo

Santerno Sinus Penta - Digital Inputs Menu

Santerno Sinus Penta
486 pages
Print Icon
To Next Page IconTo Next Page
To Next Page IconTo Next Page
To Previous Page IconTo Previous Page
To Previous Page IconTo Previous Page
Loading...
SINUS PENTA
PROGRAMMING GUIDE
318/486
37. DIGITAL INPUTS MENU
37.1. Overview
NOTE
Please refer to the Sinus Penta’s Installation Guide
for the hardware description of the
digital inputs.
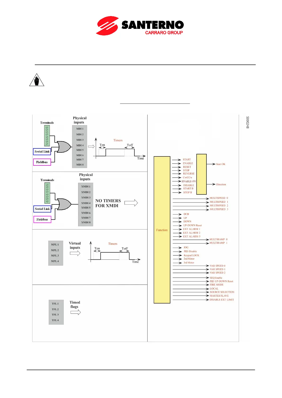
The parameters contained in this menu assign particular digital control functions to each digital input in the terminal
board. Each parameter has a particular function, which is assigned to a given terminal on the terminal board.
Figure 51: Inputs that can be selected to implement control functions
The full processing of the digital inputs also includes the selection of other remote/virtual terminal boards (see
the CONTROL METHOD MENU) and the possibility of delaying input digital signal enable/disable by means of
software timers (see the TIMERS MENU).

Table of Contents

Other manuals for Santerno Sinus Penta

Related product manuals