EasyManua.ls Logo

Dodge Sprinter 2006 - Page 1762

Dodge Sprinter 2006
2315 pages
Print Icon
To Next Page IconTo Next Page
To Next Page IconTo Next Page
To Previous Page IconTo Previous Page
To Previous Page IconTo Previous Page
Loading...
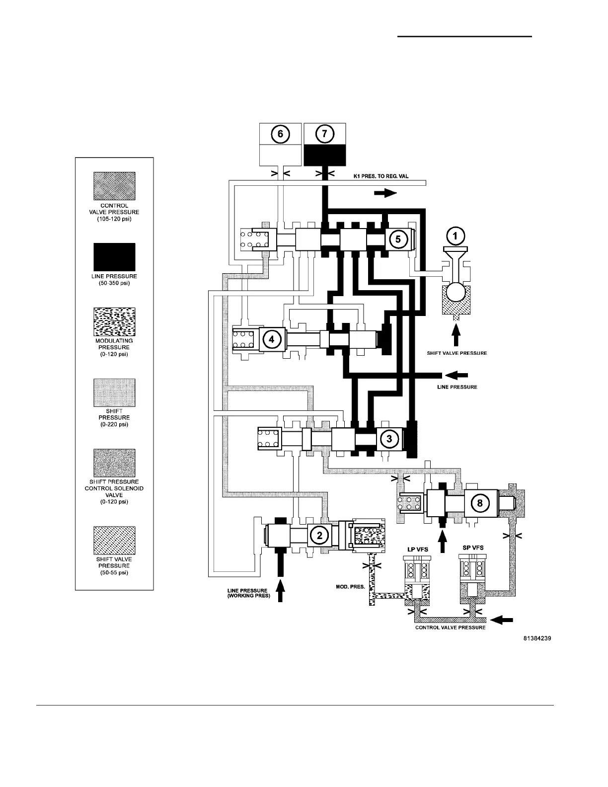
SHIFT GROUPS/ SHIFT SEQUENCE
1-2 Shift - First Gear Engaged
Fig. 16 First Gear Engaged
1 - 1-2/4-5 SHIFT SOLENOID 5 - 1-2/4-5 COMMAND VALVE
2 - 1-2/4-5 OVERLAP VALVE 6 - DRIVING CLUTCH K1
3 - 1-2/4-5 SHIFT PRESSURE SHIFT VALVE 7 - HOLDING CLUTCH B1
4 - 1-2/4-5 HOLDING PRESSURE SHIFT VALVE 8 - SHIFT PRESSURE REGULATOR VALVE
21 - 24 AUTOMATIC TRANSMISSION NAG1 - SERVICE INFORMATION VA

Table of Contents

Related product manuals