EasyManua.ls Logo

Dodge Sprinter 2006 - Page 1767

Dodge Sprinter 2006
2315 pages
Print Icon
To Next Page IconTo Next Page
To Next Page IconTo Next Page
To Previous Page IconTo Previous Page
To Previous Page IconTo Previous Page
Loading...
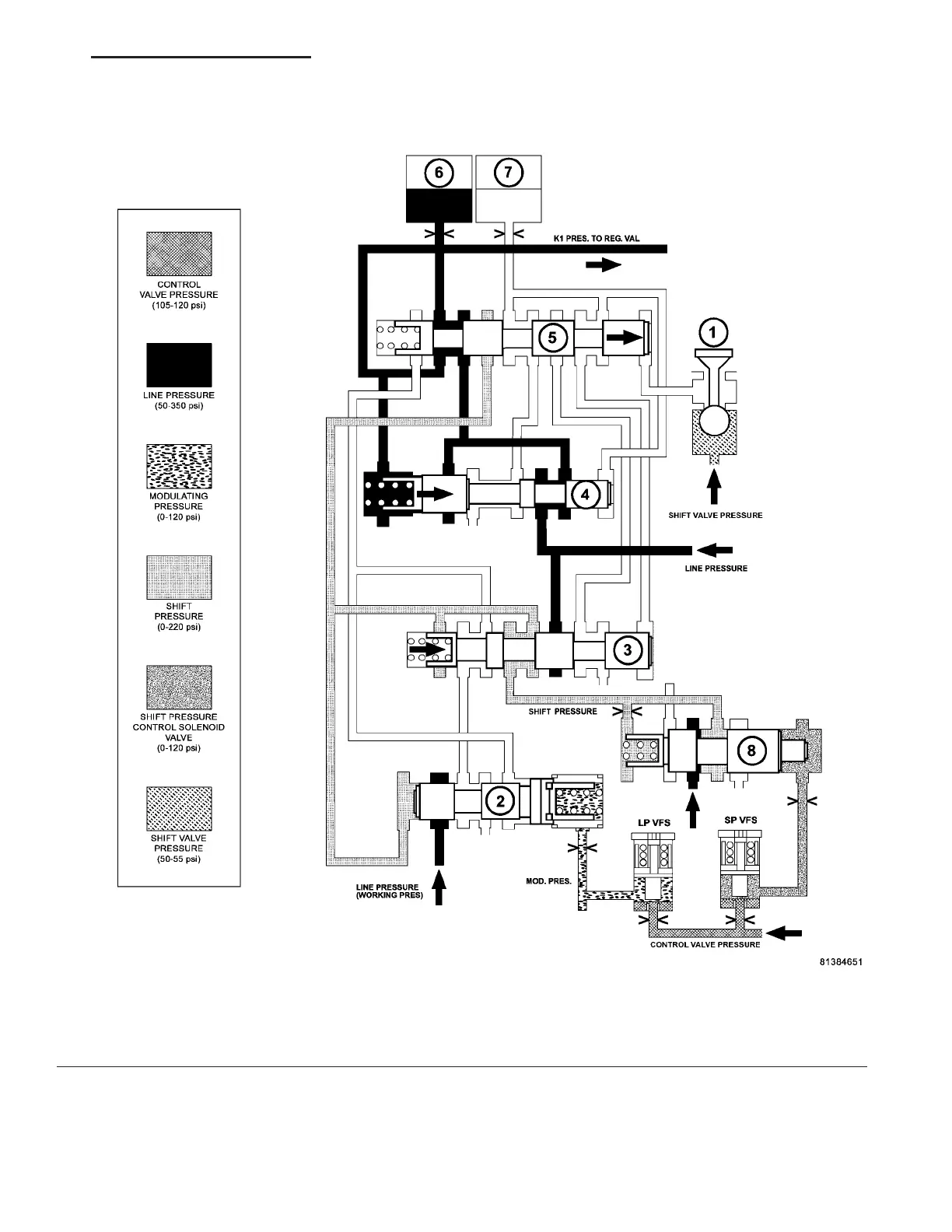
Second Gear Engaged
After the gea rchan ge is complete, t he pressure on
the en d fa ce of the comman d valve (5) (Fig. 19) is
reduced via the 1-2 and 4-5 shift solenoid va lve (1),
and the com mand valve (5) is push ed back to its
basic position. Via th e holding pressu re sh ift valve
(4) the wor kin g pressure (p-A) now passes via th e
Fig. 19 Second Gear Engaged
1 - 1-2/4-5 SHIFT SOLENOID 5 - 1-2/4-5 COMMAND VALVE
2 - 1-2/4-5 OVERLAP VALVE 6 - DRIVING CLUTCH K1
3 - 1-2/4-5 SHIFT PRESSURE SHIFT VALVE 7 - HOLDING CLUTCH B1
4 - 1-2/4-5 HOLDING PRESSURE SHIFT VALVE 8 - SHIFT PRESSURE REGULATOR VALVE
VA AUTOMATIC TRANSMISSION NAG1 - SERVICE INFORMATION 21 - 29

Table of Contents

Related product manuals