EasyManua.ls Logo

Dodge Sprinter 2006 - Page 1771

Dodge Sprinter 2006
2315 pages
Print Icon
To Next Page IconTo Next Page
To Next Page IconTo Next Page
To Previous Page IconTo Previous Page
To Previous Page IconTo Previous Page
Loading...
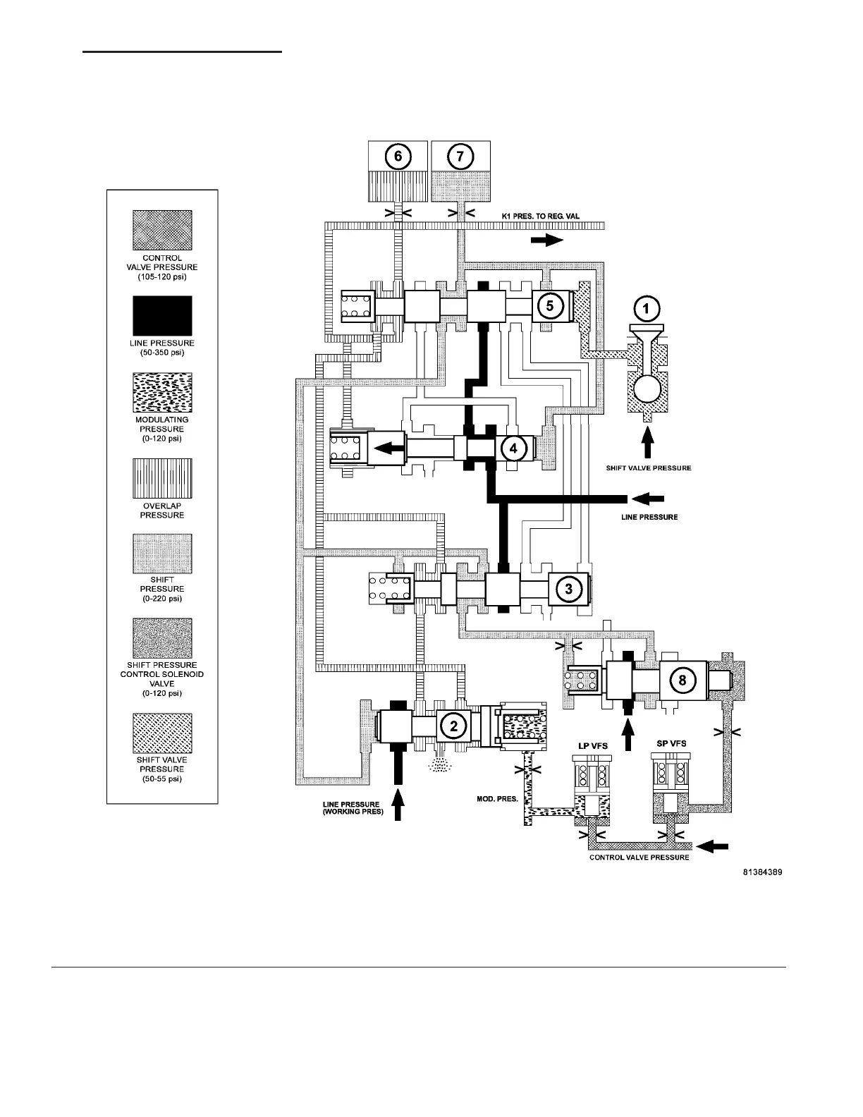
Shift Phase - 2-1 Shift Phase 2
The pr essu re in clutch B1 (7) (Fig. 21) acting on
the end face of the 1-2/4-5 holding valve (4) forces the
valve t o up-shift again st the spring pressure and
allows line pressure (p-A) to pass t hrough t he com -
mand valve (5).
Fig. 21 Shift Phase - 2-1 Shift Phase 2
1 - 1-2/4-5 SHIFT SOLENOID 5 - 1-2/4-5 COMMAND VALVE
2 - 1-2/4-5 OVERLAP VALVE 6 - DRIVING CLUTCH K1
3 - 1-2/4-5 SHIFT PRESSURE SHIFT VALVE 7 - HOLDING CLUTCH B1
4 - 1-2/4-5 HOLDING PRESSURE SHIFT VALVE 8 - SHIFT PRESSURE REGULATOR VALVE
VA AUTOMATIC TRANSMISSION NAG1 - SERVICE INFORMATION 21 - 33

Table of Contents

Related product manuals