EasyManua.ls Logo

Oki B6500

Oki B6500
616 pages
To Next Page IconTo Next Page
To Next Page IconTo Next Page
To Previous Page IconTo Previous Page
To Previous Page IconTo Previous Page
Loading...
3 - 51
Chapter 3 Removal and Replacement Procedures (RRPs)
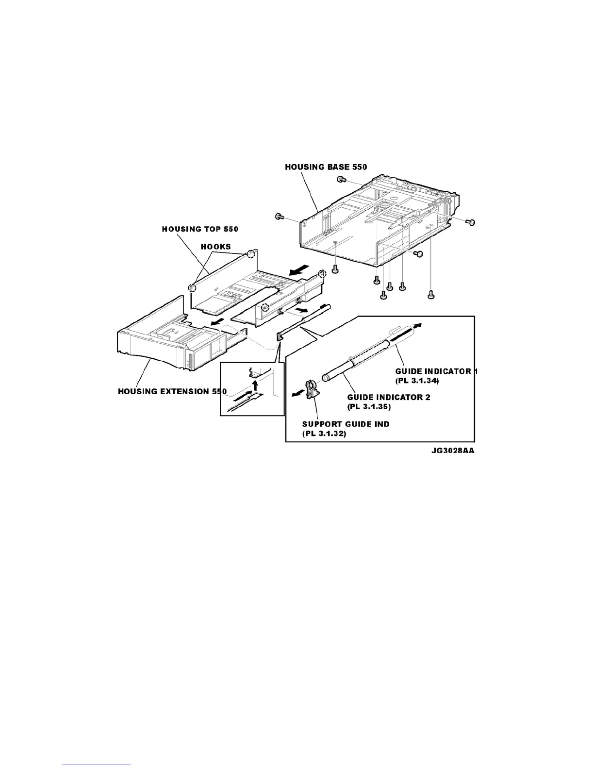
RRP3.9 GUIDE INDICATOR 2 (PL 3.1.35)
Removal
1) Remove the COVER CST (PL 12.3) from the 550 PAPER CASSETTE.
2) Release the lock of the LOCK EXTENSION, and pull out the cassette extension as far as it will go.
3) Release the hooks securing the GEAR PINION (PL 12.3) to the HOUSING TOP 550 (PL 12.3),
and remove the GEAR PINION (Figure 1).
Figure 1. Pinion Gear
4) While pressing down the lock of the STOPPER GEAR (PL 3.1), release the lock of the LEVER
BTM LOCK (PL 3.1) to lift up the PLATE ASSEMBLY BTM (Figure 2).
5) Slide the GUIDE ASSEMBLY SD L550 (PL 12.3) inward, and remove it from the HOUSING TOP
550 by pressing down the hook of the HOUSING TOP 550.
6) Slide the GUIDE ASSEMBLY SD R550 (PL 12.3) inward, and remove it from the HOUSING TOP
550 by pressing down the hook of the HOUSING TOP 550.
7) Remove the 2 screws (gold tapping, 8mm) from both right and left sides, as well as the 6 screws
(gold tapping, 8mm) on the back, that secure the HOUSING TOP 550 (PL 12.3) to the HOUSING
BASE 550 (PL 3.1).
8) Turn the 550 PAPER CASSETTE over, and pull out the HOUSING TOP 550 frontward about 20
mm to release the claws on the top of the PLATE ASSEMBLY BTM from the hooks of the HOUS-
ING TOP 550.
9) Release the 4 hooks of the HOUSING TOP 550, and remove the HOUSING TOP 550 and HOUS-
ING EXTENSION 550 (PL 3.1) from the HOUSING BASE 550 (Figure 1).
10) Slide the SUPPORT GUIDE IND (PL 3.1), and remove it from the groove of the HOUSING
EXTENSION 550. Then, separate the HOUSING TOP 550 and HOUSING EXTENSION 550.

Table of Contents

Other manuals for Oki B6500

Related product manuals