EasyManua.ls Logo

Oki B6500

Oki B6500
616 pages
To Next Page IconTo Next Page
To Next Page IconTo Next Page
To Previous Page IconTo Previous Page
To Previous Page IconTo Previous Page
Loading...
3 - 145
Chapter 3 Removal and Replacement Procedures (RRPs)
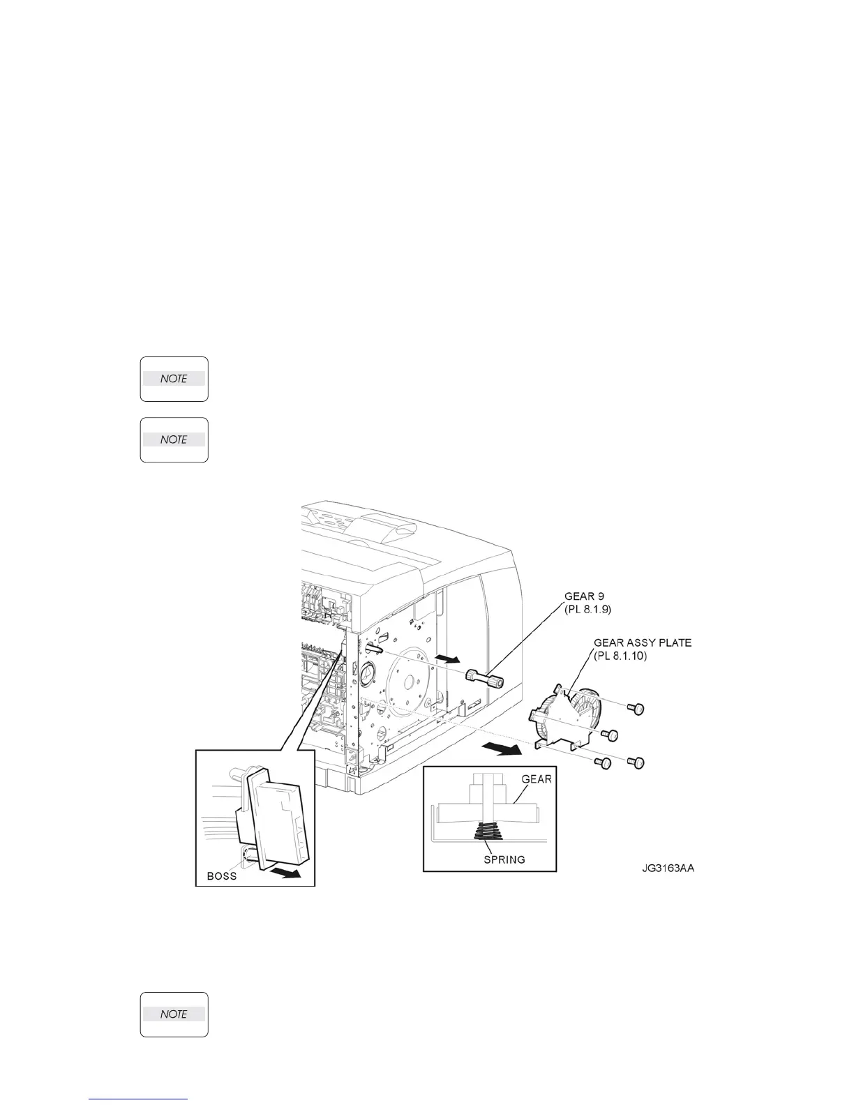
RRP8.4 GEAR ASSEMBLY PLATE (PL 8.1.10), GEAR 9 (PL 8.1.9)
Removal
1) Remove the COVER REAR 500 (PL 7.1) (RRP7.9).
2) Remove the COVER REAR (PL 1.1) (RRP1.1).
3) Remove the FUSER ASSEMBLY (PL 6.1) (RRP6.8).
4) Remove the COVER LEFT (PL 1.1) (RRP1.3).
5) Remove the GEAR ASSEMBLY HOUSING (PL 8.1.3) (RRP8.3).
6) Remove the 4 screws (silver, 6mm) securing the GEAR ASSEMBLY PLATE to the frame (Figure
1).
7) Remove the GEAR ASSEMBLY PLATE (Figure 1).
8) Remove the boss of the bottom side of the connector of the HARNESS ASSEMBLY FUSER from
the frame (Figure 1).
9) Remove the GEAR 9 (PL 8.1.9) from the shaft on the frame (Figure 1).
When removing the GEAR ASSEMBLY PLATE, one of the gears installed to the GEAR
ASSEMBLY PLATE is not fixed and it may come off. Be careful not to drop it.
There is a SPRING inside of the GEAR that is not fixed to the GEAR ASSEMBLY PLATE.
Be careful not to drop this SPRING.
Figure 1. Gear 9 & Gear Plate Assembly
Replacement
1) Install the GEAR 9 (PL 8.1.9) to the shaft on the frame (Figure 1).
When installing the GEAR 9, be sure to install the narrow end of the GEAR inside.

Table of Contents

Other manuals for Oki B6500

Related product manuals