EasyManua.ls Logo

Oki B6500 - Rrp12.4 Opt Assy Size (Pl12.1)

Oki B6500
616 pages
Print Icon
To Next Page IconTo Next Page
To Next Page IconTo Next Page
To Previous Page IconTo Previous Page
To Previous Page IconTo Previous Page
Loading...
3 - 217
Chapter 3 Removal and Replacement Procedures (RRPs)
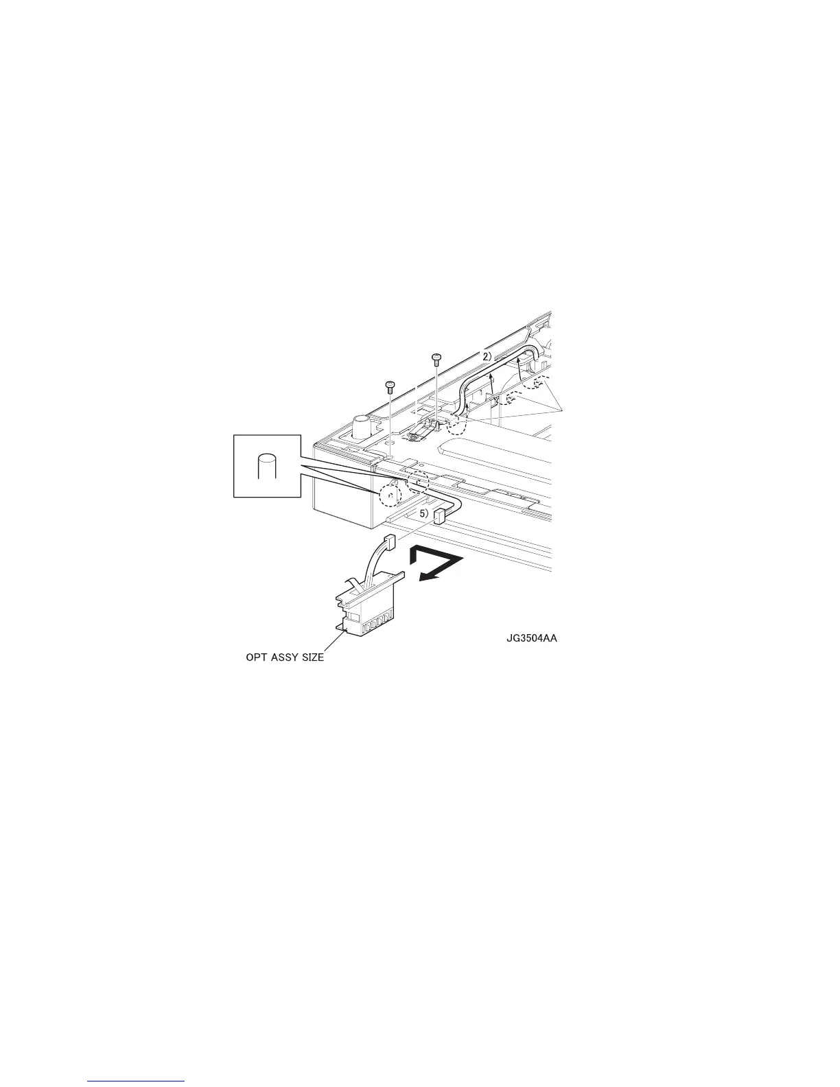
RRP12.4 OPT ASSY SIZE (PL12.1)
Removal
1) Release the HARNESS ASSY SIZE FDR1 (PL 12.1) from the hooks of the FRAME CVR L550
(PL 12.1).
2) Remove the 2 screws (gold tapping, 8mm) securing the OPT ASSY SIZE to the FRAME CVR
L550.
3) Shift the OPT ASSY SIZE in the direction of the arrow to release the bosses, and remove it
from the FRAME CVR L550.
4) Disconnect the connector (P/J802) of the the HARNESS ASSY SIZE FDR1 from the connector
of the OPT ASSY SIZE.
Replacement
1) Shift the OPT ASSY SIZE in the opposite direction of the arrow, and install it to the FRAME
CVR L550 (PL 12.1) using the 2 screws (gold tapping, 8mm).
2) Connect the connector (P/J802) of the HARNESS ASSY SIZE FDR1 (PL 12.1) to the connec-
tor of the OPT ASSY SIZE.
3) Secure the HARNESS ASSY SIZE FDR1 to the FRAME CVR L550 using hooks.
BOSS
HOOKS

Table of Contents

Other manuals for Oki B6500

Related product manuals