EasyManua.ls Logo

Oki B6500

Oki B6500
616 pages
To Next Page IconTo Next Page
To Next Page IconTo Next Page
To Previous Page IconTo Previous Page
To Previous Page IconTo Previous Page
Loading...
5 - 32
Chapter 5 Parts List
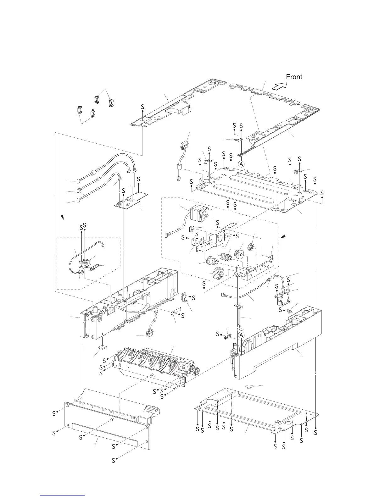
PL 12.1 OPTION 550 PAPER FEEDER (1/2) [ILLUSTRATION]
[Ref PL20.2.1]
1
2
3
5
6
6
7
9
12
13
14
15
16
17
11
10
18
41
19
20
21
22
22
26
28
30
31
34
33
35
36
37
38
38
32
27
42
23
25
4
J25501AA
39
40
8 (with 9-17)
29 (with 30-33)
(JD2083)
(J83)
(J80)
(P855)
(P820)
(J820)
(J81)
(J84)
(J801)
(P802)
(J802)
(J800)
(PD8483)
(J810)
(P801)
(J82)
(J85)

Table of Contents

Other manuals for Oki B6500

Related product manuals