EasyManua.ls Logo

Oki B6500

Oki B6500
616 pages
To Next Page IconTo Next Page
To Next Page IconTo Next Page
To Previous Page IconTo Previous Page
To Previous Page IconTo Previous Page
Loading...
6 – 32
Chapter 6 Principles of Operation
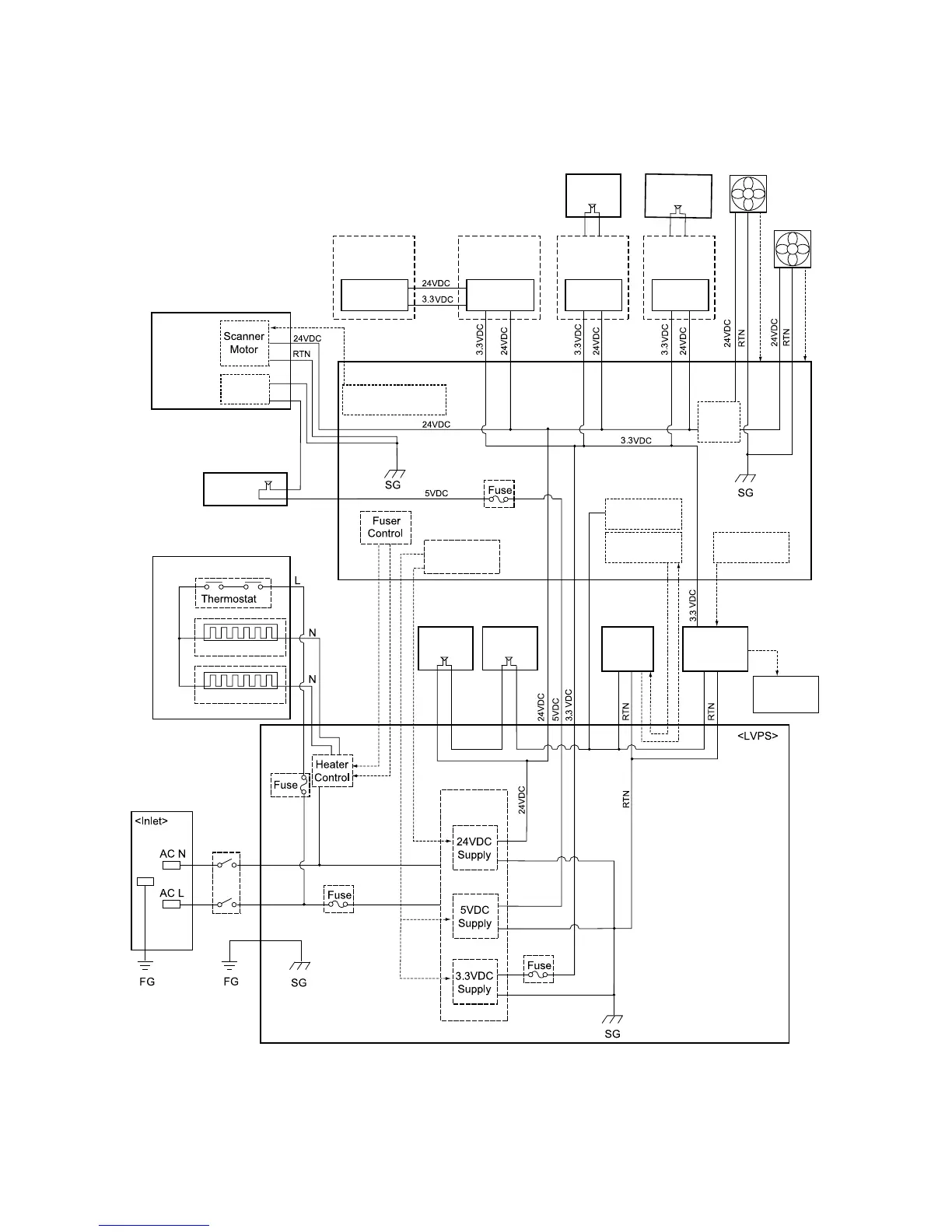
7. Schematic Diagram of Safety System
<PWBA
FEEDER550>
Option 550
Feeder
Option 550
Feeder
Option
Duplex
<PWBA
FEEDER550>
<PWBA
DUPLEX>
Option
OCT
<PWBA
OCT>
<HVPS/MCU>
LDD
<ROS ASSY>
<INTERLOCK
S/W 5V L>
<INTERLOCK
S/W 24V>
<INTERLOCK
S/W REAR>
HVPS Circuit
<PWBA
EXIT MOTOR>
<MOTOR
ASSY EXIT>
<MAIN
MOTOR>
/HEAT ON Short
FAN MAIN ALARM
/HEAT ON Long
24VDC AFT
24VDC AFT
24VDC AFT
A,B,/A,/B,
24VDC AFT
<FAN MAIN>
<FAN SUB>
Heater Rod Long
Heater Rod Short
J26126AA
<SWITCH
DUPLEX>
<SW REAR
COVER>
POWER
SWITCH
Low Voltage
Generation
<FUSER ASSY>
Power
Save Control
POWER SAVE 1
POWER SAVE 2
FAN SUB ALARM
MAIN MOTOR
Control
MAIN MOTOR ON
MAIN MOTOR ALM
EXIT MOTOR
Control
CRU A,CRU B,INA,INB
/INA,/INB
SCANNER MOTOR
Control
SCANNER MOTOR ON,
SCANNER MOTOR CLOCK
FAN
Control
24VDC AFT

Table of Contents

Other manuals for Oki B6500

Related product manuals