EasyManua.ls Logo

Dodge Sprinter 2006 - Page 1902

Dodge Sprinter 2006
2315 pages
Print Icon
To Next Page IconTo Next Page
To Next Page IconTo Next Page
To Previous Page IconTo Previous Page
To Previous Page IconTo Previous Page
Loading...
the clu tches and bands. It is n othing m ore tha n
using a difference of a rea to crea te a difference in
pr essu re to move an object.
PISTON TRAVEL
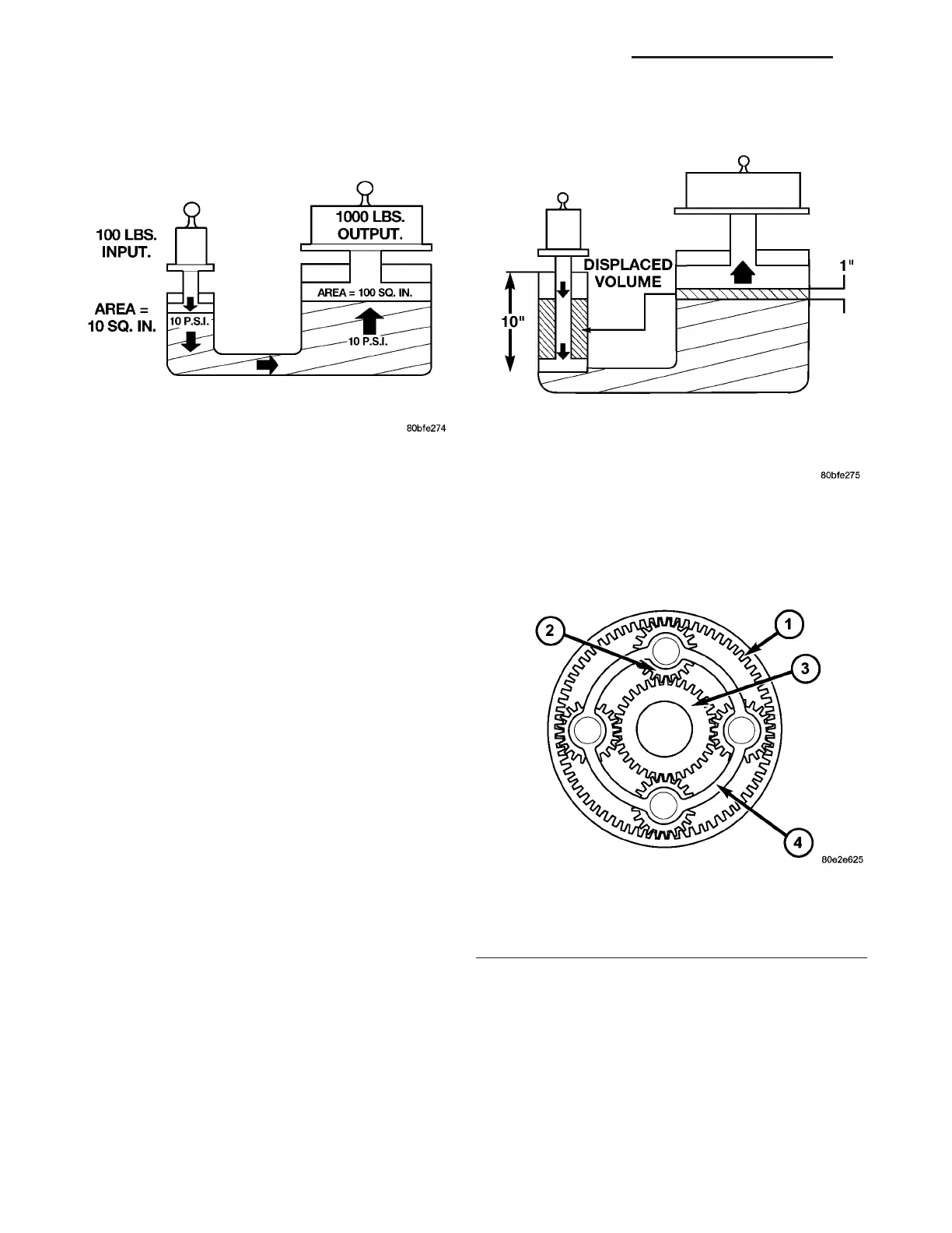
The r elat ionship between hydra ulic lever and a
mecha nica l lever is the sa me. With a mech anical
lever its a weight-t o-distan ce ou tput rather than a
pr essu re-to-a rea output . Usin g the sam e for ces an d
area s a s in the pr evious exa mple, t he smaller pist on
(Fig. 216) h as t o move ten times the dista nce
required to move th e la rger piston one inch. There-
fore, for every inch the larger piston moves, th e
sm aller pist on moves ten inches. This principle is
true in ot her instances also. A common gar age floor
jack is a good exa mple. To ra ise a car weigh ing 2000
lbs., a n effor t of on ly 100 lbs. ma y be requir ed. For
every in ch the car moves upward, the input piston at
the jack ha ndle m ust move 20 in ches downwa rd.
PLAN ETARY GEART RAI N
DESCRIPTION
Three planet ary gear sets (Fig. 217) are used to
pr odu ce the differen t gear r atios. These are located
in the mecha nica l part of the tr ansmission as th e
front, middle and rear planetary gear sets.
Fig. 215 Force Multiplication
Fig. 216 Piston Travel
Fig. 217 Planetary Geartrain
1 - ANNULUS GEAR
2 - PLANETARY PINION GEARS
3 - SUN GEAR
4 - PLANETARY CARRIER
21 - 164 AUTOMATIC TRANSMISSION NAG1 - SERVICE INFORMATION VA

Table of Contents

Related product manuals