EasyManua.ls Logo

Oki B6500

Oki B6500
616 pages
To Next Page IconTo Next Page
To Next Page IconTo Next Page
To Previous Page IconTo Previous Page
To Previous Page IconTo Previous Page
Loading...
3 - 199
Chapter 3 Removal and Replacement Procedures (RRPs)
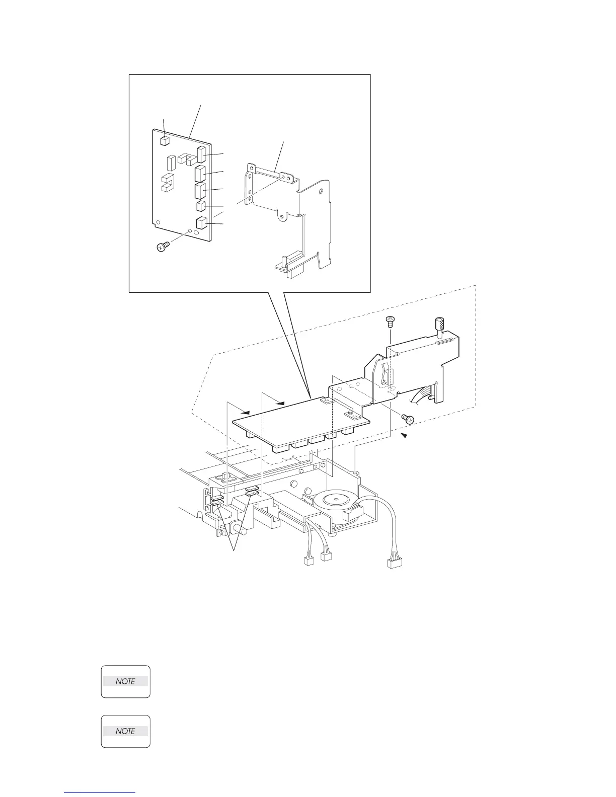
Replacement
1) Install the PWBA OCT to the SUPPORT OCT RIGHT (PL 11.1) using the screw (silver, 6mm).
2) Install the SUPPORT OCT RIGHT attached with the PWBA OCT to the Option OCT using 2
screws (gold tapping, 8mm).
When installing, be sure to install the PWBA OCT into the two guiding ditches of the
Option OCT.
When installing, be sure to install the SHUTTER portion of the ACTUATOR FULL STACK
(PL 11.1) into the photo interrupter on the PWBA OCT.
PWBA OCT
(PL23.1.22)
GUIDE GROOVES
PWBA OCT BLOCK
70
P/J74
72
71
73
75
JG3825AA
SUPPORT OCT RIGHT
(PL23.1.23)

Table of Contents

Other manuals for Oki B6500

Related product manuals