EasyManua.ls Logo

Oki B6500

Oki B6500
616 pages
To Next Page IconTo Next Page
To Next Page IconTo Next Page
To Previous Page IconTo Previous Page
To Previous Page IconTo Previous Page
Loading...
7 – 9
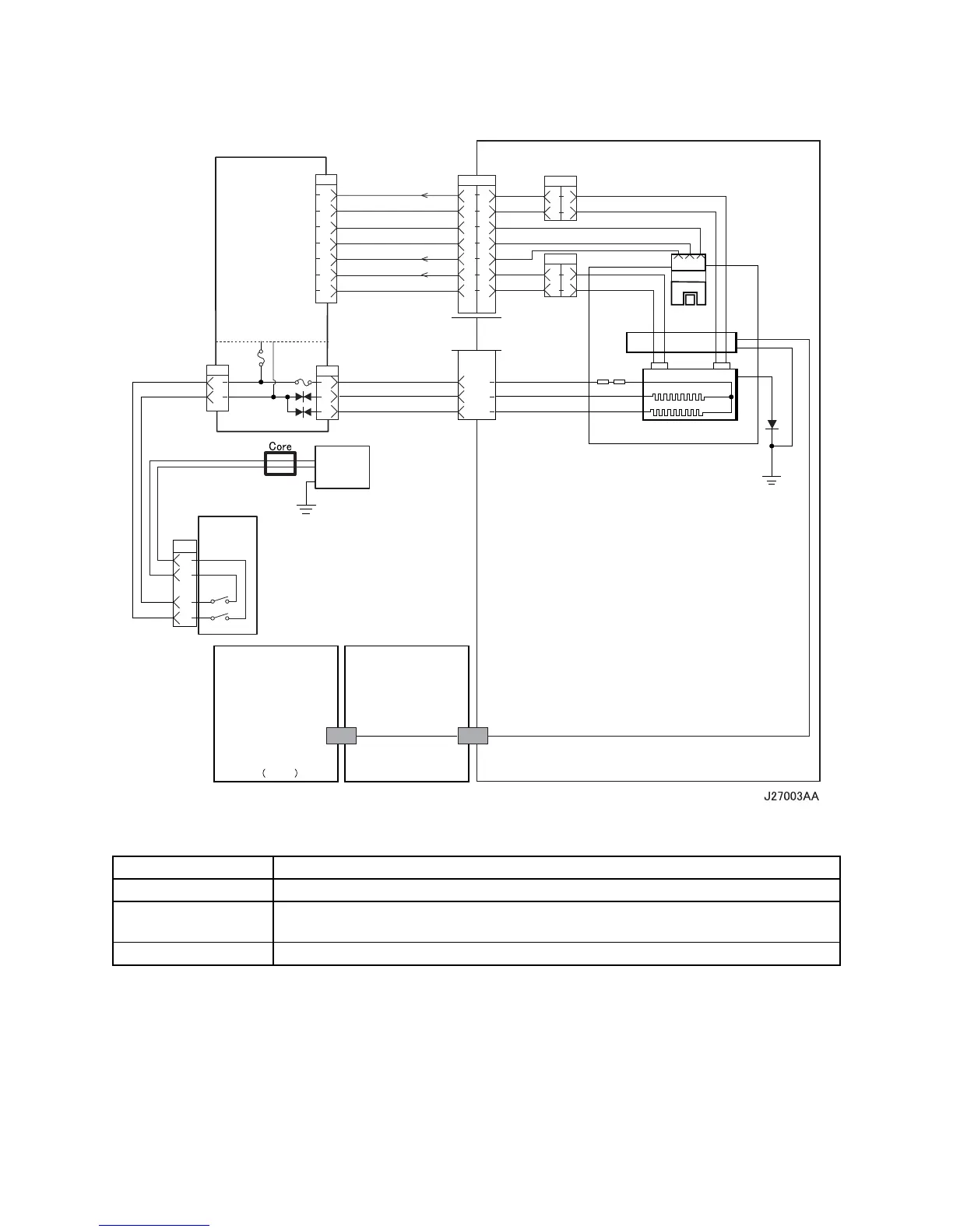
Chapter 7 Wiring Diagrams and Signal Information
2 FUSER ASSY, POWER SWITCH
Signal line name Description
/EXIT Signal from Exit Sensor. This signal goes Low when light is received.
STS
Temperature monitor signal (analog signal) from Temperature Sensor (Thermistor). It
detects the temperature on the surface of Heat Roll.
PRB Output from HVPS which applies a high voltage to Pressure Roll.
P/J46
2
1
1
2
P/J4249
3
1
2
3
4
5
6
7
1
2
3
4
5
6
7
1
6
5
4
3
2
1
7
P/J4647
STS 2
LVPS
PL12.1.5
LG
LG
LG
/ EXIT
STS 1
LINE
LINE
(Secondary)
NUT
NUT
NUT
Pullup 3.3V
2
1
1
2
P/J4248
INLET
HVPS/ MCU
PL12.1.19
GUIDE ASSY
CRU R
PL8.1.25
HARNESS ASSY
AC IN
PL12.1.8
HARNESS ASSY
FUSER
PL8.1.17
HVPS
TS
FUSER ASSY
PL8.1.20
FG
TS
H.ROLL
A4 Long
A4 Short
P.ROLL
123
Exit Sensor
FG
P/J 480
3
1
P/J48
3
5
1
2
4
POWER
SWITCH
PL12.1.6
P/J47
2
1
3
PRB
(Primary)
(Secondary)
(Primary)
P/J4247

Table of Contents

Other manuals for Oki B6500

Related product manuals