EasyManua.ls Logo

Ricoh C231 - Ink Pump Adjustment

Ricoh C231
693 pages
Print Icon
To Next Page IconTo Next Page
To Next Page IconTo Next Page
To Previous Page IconTo Previous Page
To Previous Page IconTo Previous Page
Loading...
DRUM
C231/C237/C238 3-24 SM
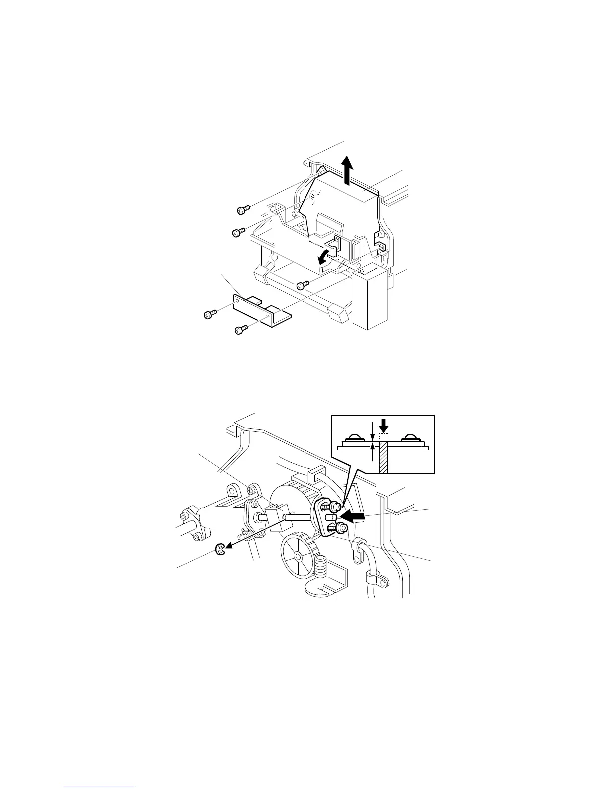
3.8.4 INK PUMP ADJUSTMENT
Purpose: To ensure the smooth operation of the ink pump plunger by properly
positioning its holder.
Remove the drum
[A]: Lower pump cover (
x 2)
[B]: Upper pump cover (
x 3)
1. Remove the E-ring [C] to free the plunger from the pump drive slider [D].
2. Loosen the two screws securing the holder [E]. (Do not remove the holder.)
3. Push the plunger [F] until it reaches the bottom.
NOTE:
The end of the plunger [F] must not stick out from the holder [E].
C238R014.WMF
C238R015.WMF
[A]
[B]
[C]
[D]
[E]
[F]

Table of Contents

Related product manuals