EasyManua.ls Logo

Parker Compax3 Fluid T40 - 5.11.7 Example: Working with fast cams

Parker Compax3 Fluid T40
470 pages
To Next Page IconTo Next Page
To Next Page IconTo Next Page
To Previous Page IconTo Previous Page
To Previous Page IconTo Previous Page
Loading...
Motion control C3F_T40
298 192-121102 N04 June 2008
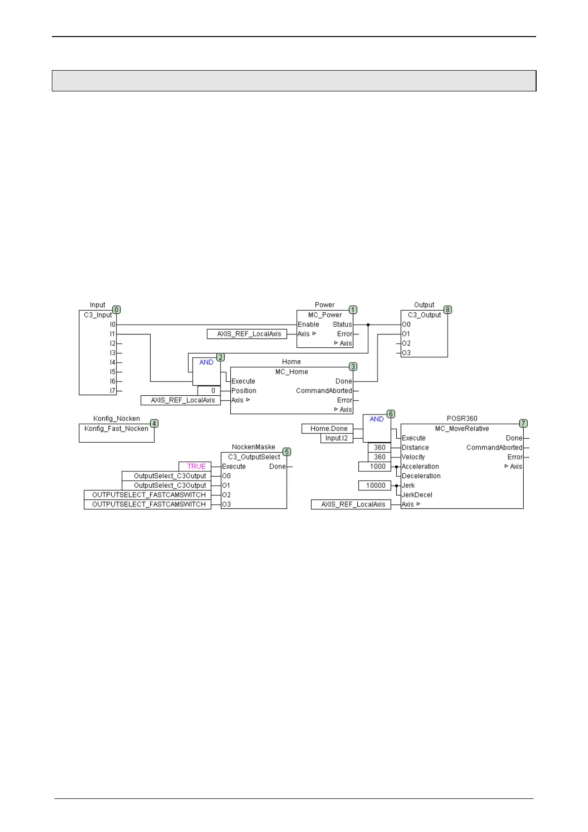
5.11.7. Example: Working with fast cams
Setting 2 fast cams to the Compax3 outputs O2 and O3.
..\Examples\CamSwitch\2_schnelle_Nocken.C3P
\Examples\CamSwitch\2_schnelle_Nocken.pro
O0 = 1: Drive energized
O1 = 1: Machine zero approached
O2 = 1 fast cam 2 (170° ... 190°)
O3 = 1 fast cam 3 (290° ... 310°)
I0: Energize Drive
I1: Start searching machine zero
I2: Start of a 360° positioning (reset distance = 360°)
Solution:
Related programs:
Assignment:

Table of Contents

Related product manuals