EasyManua.ls Logo

Parker Compax3 Fluid T40

Parker Compax3 Fluid T40
470 pages
To Next Page IconTo Next Page
To Next Page IconTo Next Page
To Previous Page IconTo Previous Page
To Previous Page IconTo Previous Page
Loading...
Parker EME
Motion control
192-121102 N04 June 2008 323
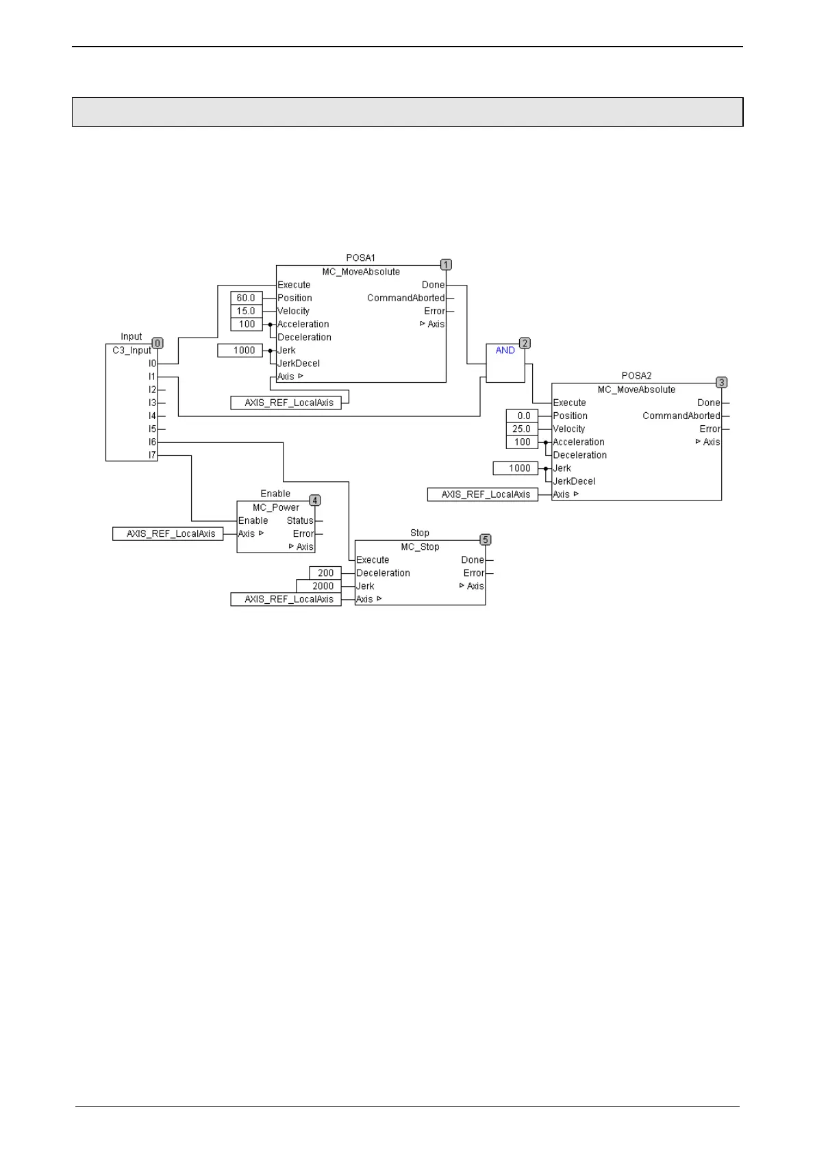
5.15.2. Example in CFC: Positioning 1
Input I7 enables the power output stage
Input I0 starts an absolute positioning process with fixed parameters
Input I6 is used to stop the movement
After positioning is complete, there will be a return to Position 0 as soon as Input
I1 has been activated

Table of Contents

Related product manuals