EasyManua.ls Logo

Ricoh A229 - Psu; Paper Feed Control Board (Pfc)

Ricoh A229
590 pages
Print Icon
To Next Page IconTo Next Page
To Next Page IconTo Next Page
To Previous Page IconTo Previous Page
To Previous Page IconTo Previous Page
Loading...
BOARDS AND OTHER ITEMS
A229 5-102 SM
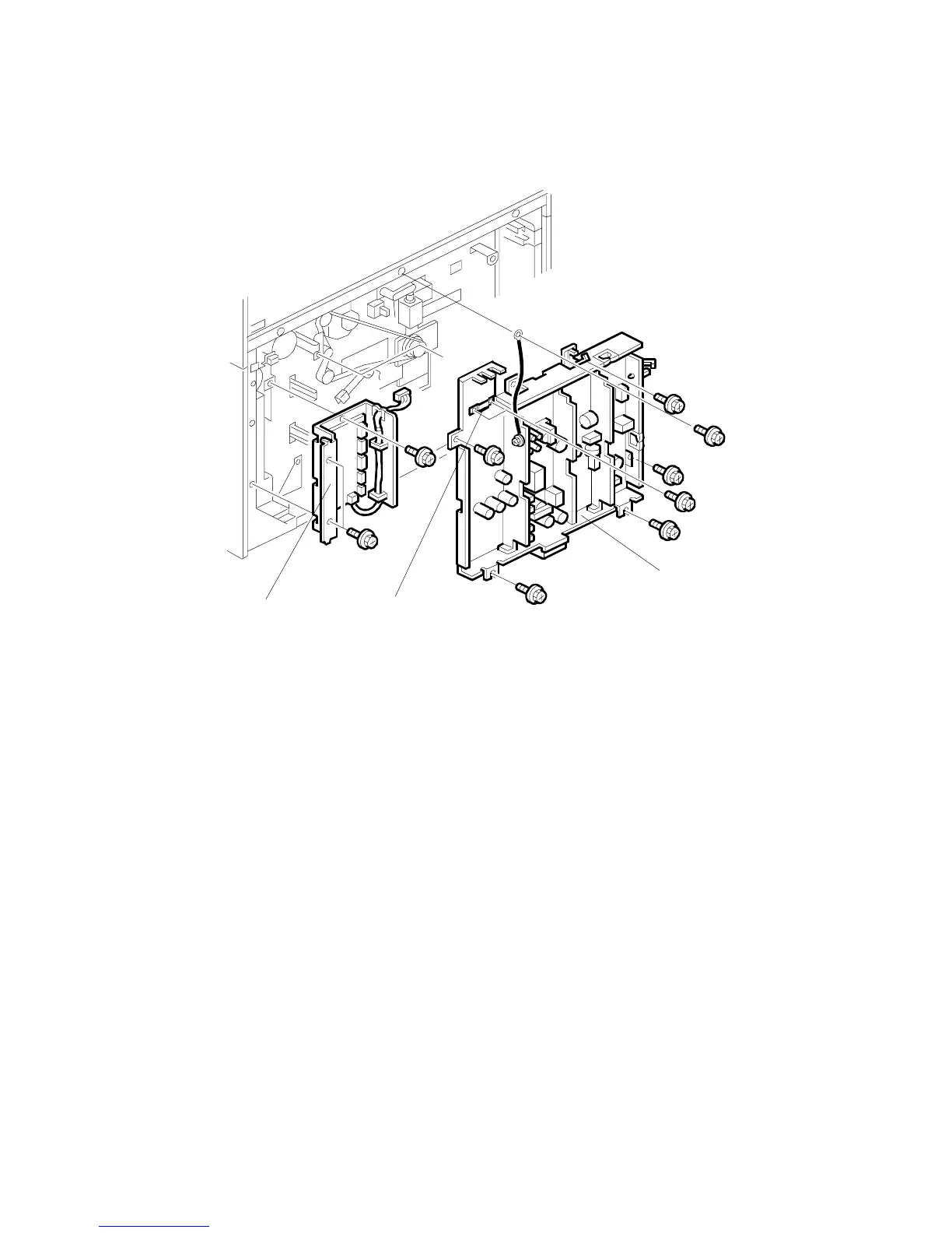
5.11.4 PSU
1. Turn off the main switch, and unplug the machine.
2. Remove the upper and lower rear cover. (Refer to Upper and Lower Rear
Cover Removal.)
3. Remove the harness clamp [A] (2 screws).
4. Remove the PSU [B] (6 screws, all connectors).
5.11.5 PAPER FEED CONTROL BOARD (PFC)
1. Turn off the main switch, and unplug the machine.
2. Remove the lower rear cover. (Refer to Lower Rear Cover Removal.)
3. Remove the Paper Feed Control Board [C] (3 screws, All connector).
A229R643.WMF
[B]
[C]
[A]

Table of Contents

Related product manuals