EasyManua.ls Logo

Ricoh A229 - Auto Power Control

Ricoh A229
590 pages
Print Icon
To Next Page IconTo Next Page
To Next Page IconTo Next Page
To Previous Page IconTo Previous Page
To Previous Page IconTo Previous Page
Loading...
LASER EXPOSURE
2-45
SM A229
Detailed
Descriptions
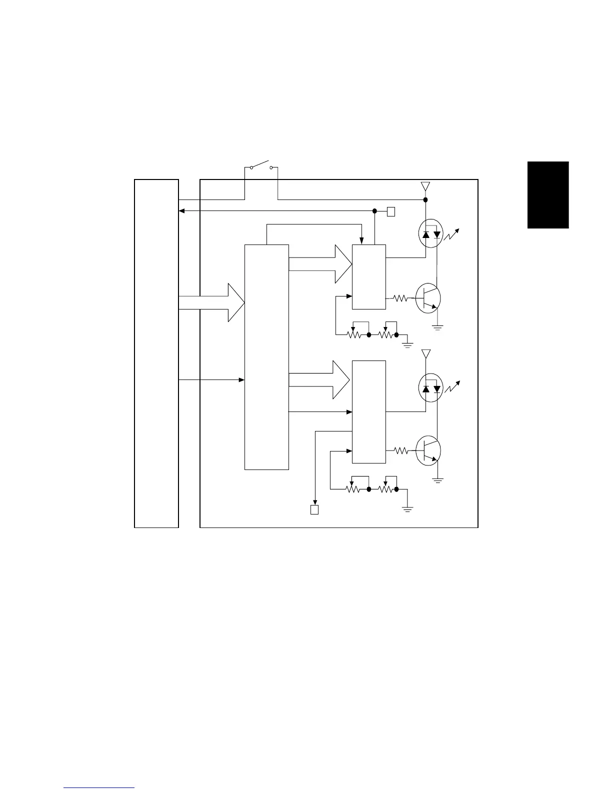
2.4.3 AUTO POWER CONTROL
IC2 and IC3 on the LDDR drive the laser diodes. Even if a constant electric current
is applied to the laser diode, the intensity of the output light changes with the
temperature. The intensity of the output decreases as the temperature increases.
In order to keep the output level constant, IC2 and IC3 monitor the current passing
through the photodiode (PD). Then they increase or decrease the current to the
laser diode as necessary, comparing it with the reference levels (REF1 and REF2).
This auto power control is done just after the machine is turned on and during
printing while the laser diode is active.
The reference levels are adjusted on the production line.
Do not touch the
variable resistors on the LDDR in the field.
VIDEO
VIDEO
VIDEO
LDDR
GAVD
(IC 7)
IC 2
LD1
Error
Error
Front Cover Safety Switch
SBICU
LDOFF
LEVEL1
LEVEL2
REF1
+5V
+5VLD
PB
LD
LD2
PB
LD
IC 3
+5VLD
Error
REF2
LD
PD
PD
LD
A229D523.WMF

Table of Contents

Related product manuals