EasyManua.ls Logo

Lexmark MS911 - Assembly 39: Booklet Maker-Transport Section

Lexmark MS911
719 pages
Print Icon
To Next Page IconTo Next Page
To Next Page IconTo Next Page
To Previous Page IconTo Previous Page
To Previous Page IconTo Previous Page
Loading...
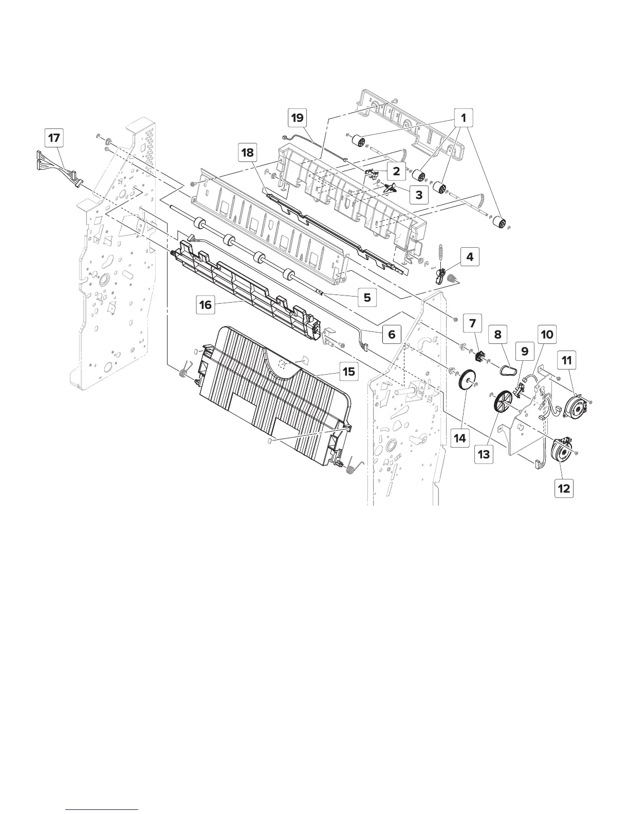
Assembly 39: Booklet maker—Transport section
4021, 7421
Parts catalog
615

Table of Contents

Other manuals for Lexmark MS911