EasyManua.ls Logo

Lucent Technologies FT-2000 OC-48 - Page 426

Lucent Technologies FT-2000 OC-48
1578 pages
Print Icon
To Next Page IconTo Next Page
To Next Page IconTo Next Page
To Previous Page IconTo Previous Page
To Previous Page IconTo Previous Page
Loading...
Administration and Provisioning
8-22 Issue 8.0 July 2002
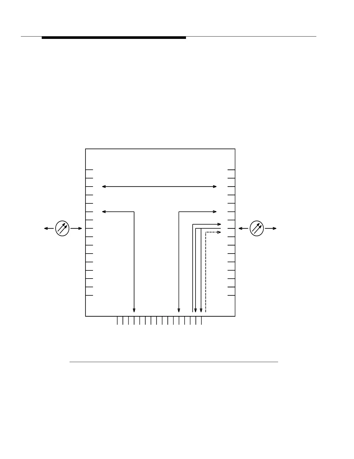
2-Way Cross-Connections 8
The FT-2000 OC-48 Add/Drop-Rings Terminal provides a time slot assignment
(TSA) capability that supports the following 2-way cross-connections:
Add/drop cross-connections: Add/drop cross-connections are made
between any service low-speed interface slot and any 155 Mb/s (STS-3)
tributary of OC-48 high-speed line 1E or 1W. For example, Figure 8-6
shows service low-speed interface slot 2B cross-connected to service
STS-3 tributary 6 of OC-48 high-speed line 1W. (In 2-fiber bidirectional
rings, STS-3 tributaries 1 through 8 are service tributaries and STS-3
tributaries 9 through 16 are protection tributaries.)
Figure 8-6. STS-3 2-Way Cross-Connections at an FT-2000 OC-48
Add/Drop-Rings Terminal
1
2
3
4
5
6
7
8
9
10
11
12
13
14
15
16
FT-2000 OC-48 Add/Drop-Rings Terminal
STS-3 Tributaries
1A 2B 8B
OC-48
1E
Low Speed Interface Slots
OC-48
1W
6B
1
2
3
4
5
6
7
8
9
10
11
12
13
14
15
16
Through
Add/Drop
Add/Drop
Add/Drop
8A

Table of Contents