EasyManua.ls Logo

Strasbaugh nTellect 7AF - Page 2377

Default Icon
2493 pages
Print Icon
To Next Page IconTo Next Page
To Next Page IconTo Next Page
To Previous Page IconTo Previous Page
To Previous Page IconTo Previous Page
Loading...
Atmospheric Single-Arm Robot Manual
4000-0016 Rev A
111
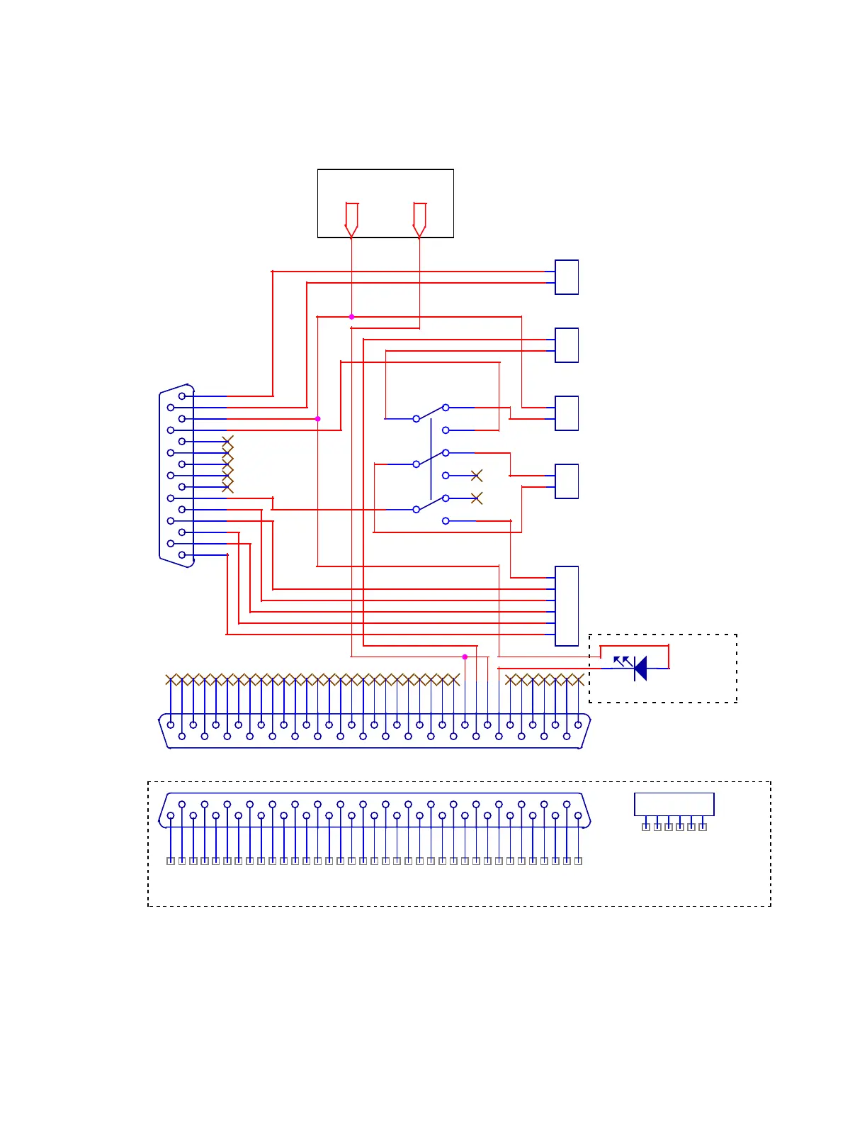
MOF Return
MOF Return
MOF
ES Return
ES
To Robot
Controller (CPU)
Operate/Teach Safety Circuit
To Robot Controller
(I/O Board)
Robot Controller I/F
Operate
Teach
Blk
Grn
Wht
Blu
Gra
Vio
Brn
Red
Org
Yel
Blk
Blu
Grn
MOF Send
Emergency Stop Button
Emergency Stop
Safety Interlocks
Host Control Lockout
Terminal Cable
TTR-200
Teach
Pendant
Interlock
Closed
Monitor
J6
CON 2 Pin
1
2
J5
CON 2 Pin
1
2
J8
DB37M
19
37
18
36
17
35
16
34
15
33
14
32
13
31
12
30
11
29
10
28
9
27
8
26
7
25
6
24
5
23
4
22
3
21
2
20
1
J1
DB15F
8
15
7
14
6
13
5
12
4
11
3
10
2
9
1
P9
DB37F
19
37
18
36
17
35
16
34
15
33
14
32
13
31
12
30
11
29
10
28
9
27
8
26
7
25
6
24
5
23
4
22
3
21
2
20
1
J23
RJ11
1
2
3
4
5
6
J2
RJ11
1
2
3
4
5
6
S1
Key Switch
J4
CON 2 Pin
1
2
J7
CON 2 Pin
1
2
D1
Green LED
PGND+24VDC
RJ12

Table of Contents

Related product manuals