EasyManua.ls Logo

Ducati DARK 749 - Page 588

Ducati DARK 749
628 pages
Print Icon
To Next Page IconTo Next Page
To Next Page IconTo Next Page
To Previous Page IconTo Previous Page
To Previous Page IconTo Previous Page
Loading...
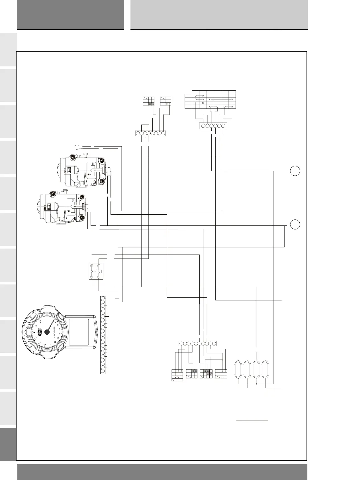
Impianto elettrico
Electric system
sezione / section
P 4
40
A
B
C
D
E
F
G
H
L
M
N
P
749/749 DARK/749S Aggiornamento/Update - M.Y. 2006 - edizione/edition 00
15 A
A
3A
20
NQS
HEAD LIGHT
BY
Br
OFF
PUSH
GO
N
Gr
L
RY
HI
LO
R
OFF
PUSH
TURN
BkW
BkY
RBk
RBk
HORN DIMMER PASSING
BWBk
FREE
PUSH
RW
OFF
RUN
STARTER ENGINE STOP
RBk
7,5 A
STOP + HORN+ PASSING
Bn/R
Gr/R
O/W
O/Bk
W/G
W/Bk
Y/Bk
G/Y
P/Y
Bn/Bk
R/W
R/W
W/R
W/Y
Y
O/B
G/W
G/Bk
Bk
Gr/Bk
R/Y
R/Y
Y/R
R/G
W
Bk
Bk
Y/Bk
Y
Bk
Y/R
W
Y/Bk
R/Bk
YBn/Bk
Y
Y
R/Y
R/G
P/Y
LOCK
PARK
OFF
ON
Lb W/R R G/Bk G/R Y
5143
6
2
5W
20
22
7
24
15
2
8
14
23
26
21
25
6
3
9
1
4
5
16
10
89710653421
8567 1234
17
60 W
60 W
+
-

Table of Contents

Related product manuals