EasyManua.ls Logo

Safran CORTEX Series - Differential Coder; Figure 19: Structure of the 4 D 8 PSK-TCM Coder;Mapper; Table 10: Bit Mapping for Differential Coder

Safran CORTEX Series
382 pages
Print Icon
To Next Page IconTo Next Page
To Next Page IconTo Next Page
To Previous Page IconTo Previous Page
To Previous Page IconTo Previous Page
Loading...
HIGH DATA RATE RECEIVER
HDR-4G+ USER’S MANUAL
Ref. DTU 100782
Is.Rev 3.5
Date: June 1, 2021
© Safran Data Systems IMP000074 e14r1
Page 97
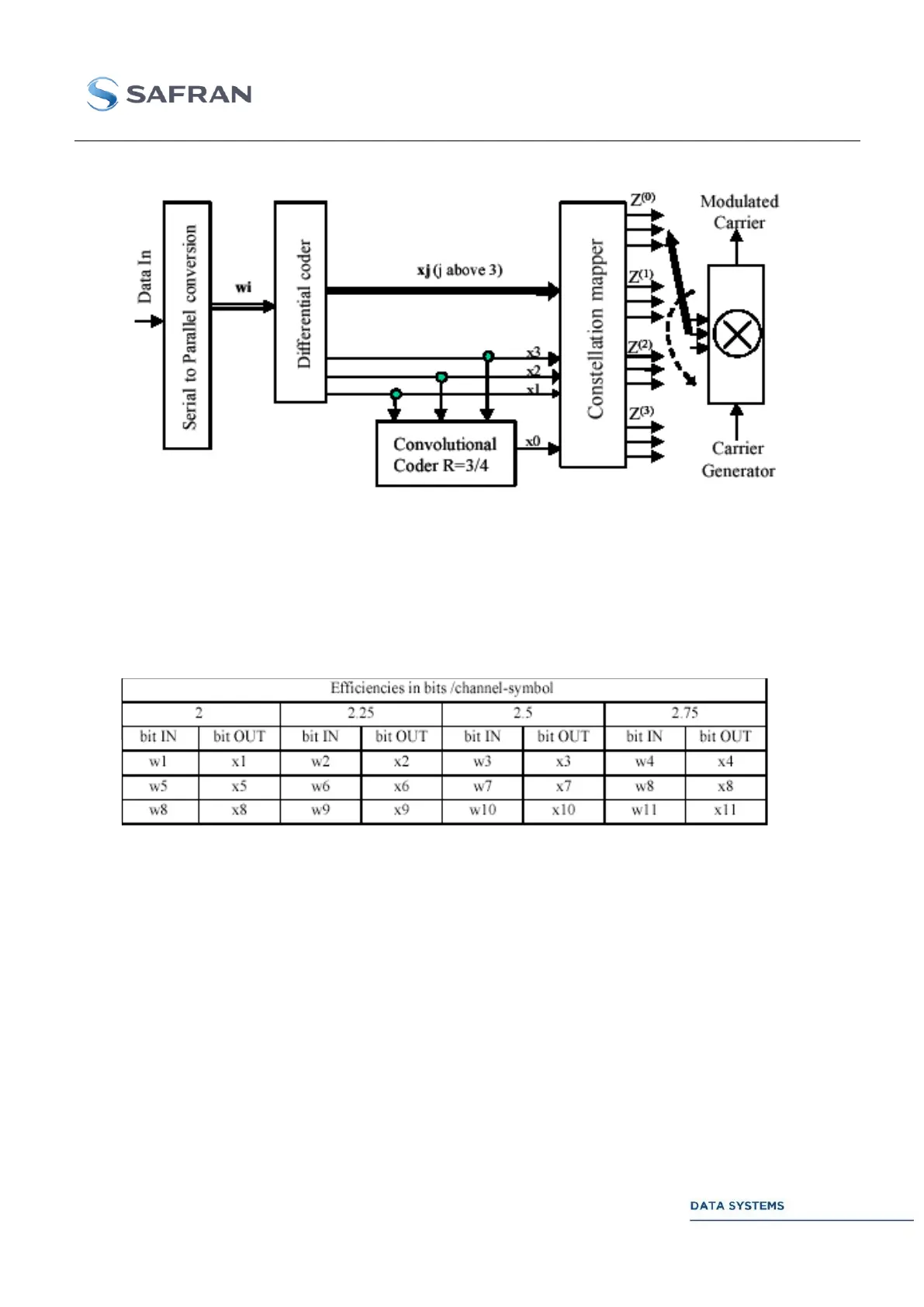
Figure 19: Structure of the 4D 8PSK-TCM Coder/Mapper
Differential Coder 3.3.7.2.1
The differential coder depicted in Figure 20 is used to eliminate phase ambiguity on carrier
synchronization for each modulation efficiency. Table 10 gives the bit reference at input and output of
the differential coder in each case.
Table 10: Bit Mapping for Differential Coder
An example of differential encoder connections is given in Figure 20 for the 2 bits/channel-symbol
case. The structure of the modulo 8 adder is also shown; it is applicable to both the coder mapper and
differential coder.

Table of Contents

Related product manuals