EasyManua.ls Logo

Safran CORTEX Series - Convolutional Coder; Figure 20: Differential Coder and Modulo-8 Adder Principle; Figure 21: Convolutional Coder Recommended for High Data Rates

Safran CORTEX Series
382 pages
Print Icon
To Next Page IconTo Next Page
To Next Page IconTo Next Page
To Previous Page IconTo Previous Page
To Previous Page IconTo Previous Page
Loading...
HIGH DATA RATE RECEIVER
HDR-4G+ USER’S MANUAL
Ref. DTU 100782
Is.Rev 3.5
Date: June 1, 2021
© Safran Data Systems IMP000074 e14r1
Page 98
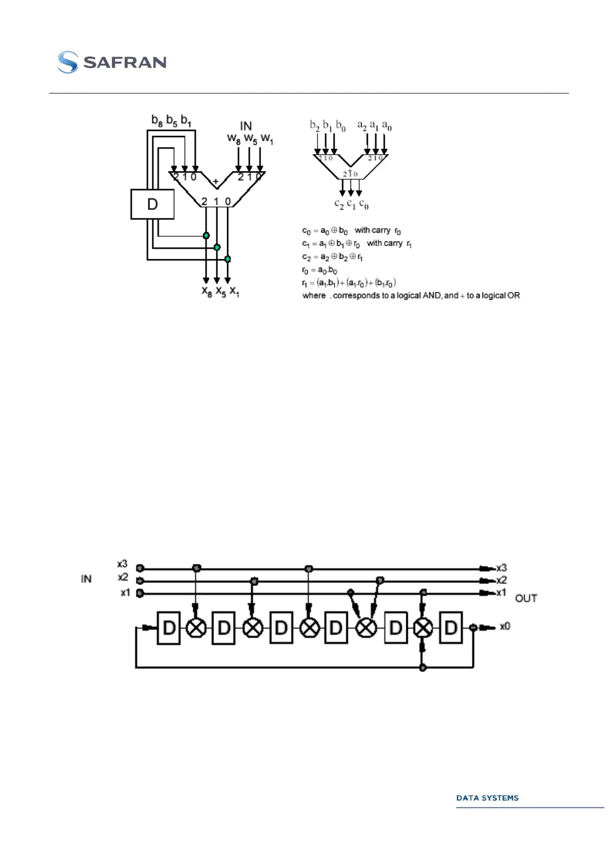
Figure 20: Differential Coder and Modulo-8 Adder Principle
For all the bits non concerned by the differential encoding, we have then:
1k mwx
kk
Convolutional Coder 3.3.7.2.2
The convolutional coder used to implement the trellis is depicted in Figure 21. This code corresponds
to one of the “best” codes for phase transparency.
The systematic coder is implemented with the following characteristics:
number of states: 64 states,
constraint length: K = 7
The convolutional encoder is specified by the following polynomial in octal: h
3
= 050, h
2
= 024, h
1
= 006,
h
0
= 103. Figure 21 shows the recommended convolutional encoder. The shift registers of the encoder
are clocked at the rate of R
ChS
/4.
Figure 21: Convolutional Coder Recommended for High Data Rates
The number of coded bits is the same for the four modulation efficiencies (i.e., the same structure is
used for 2, 2.25, 2.5, and 2.75 bits/channel-symbol), only the number of uncoded bits is changed. The
advantage of this coder is its optimized performance and the reduced internal rate which is equal to
1/8, 1/9, 1/10, or 1/11 of the information rate.
OUT

Table of Contents

Related product manuals