EasyManua.ls Logo

Yamaha F400A 2022 - Single Outboard Motor Application (Dual Station)

Yamaha F400A 2022
592 pages
Print Icon
To Next Page IconTo Next Page
To Next Page IconTo Next Page
To Previous Page IconTo Previous Page
To Previous Page IconTo Previous Page
Loading...
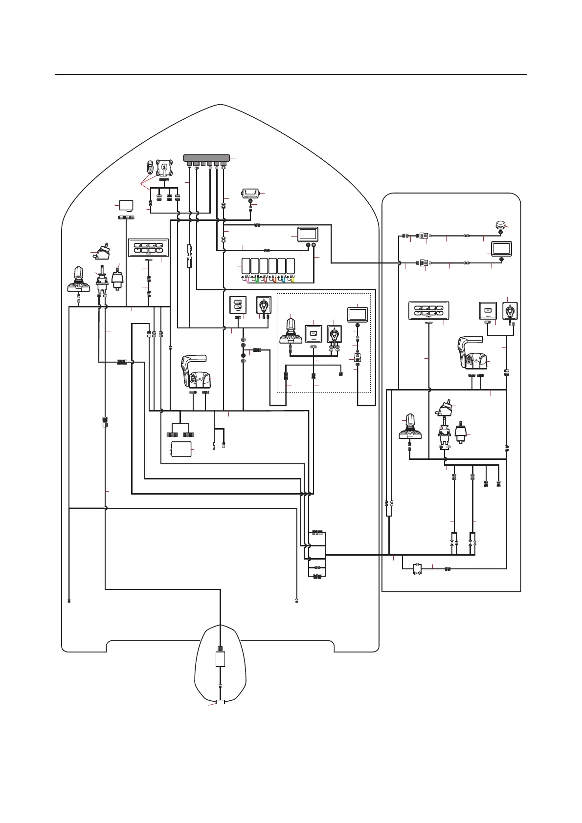
System diagram
3-43
Single outboard motor application (dual station)
HEADING
HOLD
COURSE
HOLD
TRACK
POINT
PATTERN
STEER
F1 F2
1˚ / 5˚ 1˚ / 5˚
HEADING
HOLD
COURSE
HOLD
TRACK
POINT
PATTERN
STEER
F1 F2
1˚ / 5˚ 1˚ / 5˚
bcccba19
23
24
18
20
38
37
20
35
39
34
12
26
36
24
23
23
18
18
35
20
35
20
11
34
8
31
12
1
33
32
30
29
29
2929
2
3
9
4
11
16
17
8
6
7
24
23
27
23
18
20
22
21
18
13
14
15
13
14
15
12
25
9
10
(*1)(*1)
4
4
31
5
28
C
A
B

Table of Contents

Related product manuals