EasyManua.ls Logo

Yamaha F400A 2022 - Triple Outboard Motor Application (Dual Station)

Yamaha F400A 2022
592 pages
Print Icon
To Next Page IconTo Next Page
To Next Page IconTo Next Page
To Previous Page IconTo Previous Page
To Previous Page IconTo Previous Page
Loading...
3-50
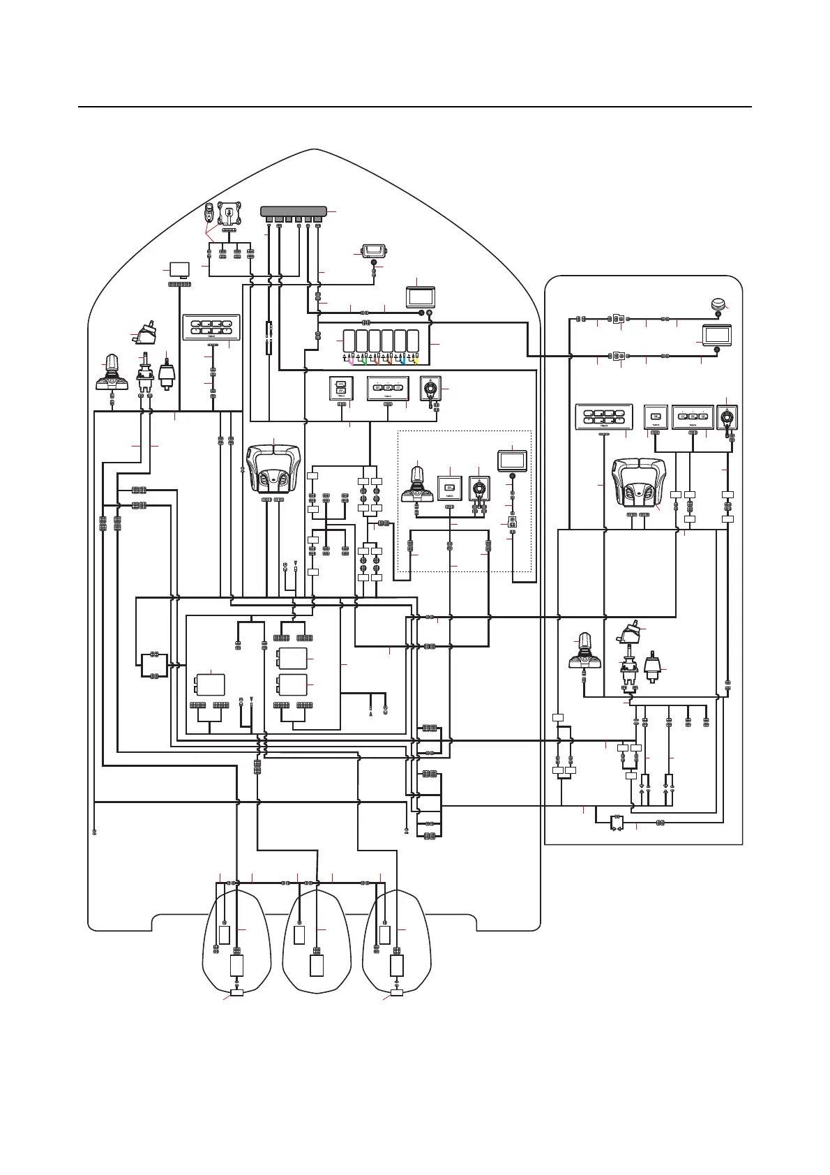
System diagram
Triple outboard motor application (dual station)
HEADING
HOLD
COURSE
HOLD
TRACK
POINT
PATTERN
STEER
F1 F2
1˚ / 5˚
1˚ / 5˚
HEADING
HOLD
COURSE
HOLD
TRACK
POINT
PATTERN
STEER
F1 F2
1˚ / 5˚
1˚ / 5˚
bcccba24
31
28
29
6
25
45
44
25
44
42
4641
18
(*1)
2
(*1)
3
66454
33
1
2
1
2
1
23
6
33 33
(*2)
43
29
28
286
6
42
25
42
25
17 41
13
14
38
19
18
40
39
37
35
36
36
36
36
77
15
16
17
22
34
14
13
11
9
10
12
29
28
32
28
6
25
27
26
20
21
19
20
21
18
30
(*1)(*1)
15
8
8
8
8
38
8
C
A
B
CP
CP
CP
C
P S
P S
P S
P S
C P
P
S
S
S
S
S
P
P P
PC S

Table of Contents

Related product manuals